Circuitos y esquemas para bajar Gratis - ( 2000- 2017 - 2018 )

Este espacio gratuito esta auspiciado por " Los Restauradores de Argentina"

 

Circuitos

Planos

Diagramas

hora13 presenta 

La selección de 

Cinco manuales de circuitos gratis 

para Usted 

 Buenos Aires Argentina

 

Atención

Este sitio y los siete capítulos restantes actualizan su contenido cada 24 horas  subiendo nuevos circuitos y esquemas

 

    

 

Usted esta en Parte cinco puede bajar mas circuitos y esquemas  en Tomos - uno - dos - tres - cuatro - seis -siete

 

Atención hora13 informa : Si usted baja circuitos de este sitio los mismos son para su uso personal , pero UD. no esta autorizado

para copiarlos en otros sitios Web ; En tal caso solicite autorización mediante nuestros correos , tampoco le es permitido utilizar nuestro material  con fines de lucro en cualquiera de sus variantes , ante la duda consulte aquí 

 

Circuitos y  esquemas de  Amplificadores :

 

Circuito esquema Amplificador Admiral modelo 4A1

 

Circuito esquema Amplificador Ampex modelo 351

 

Circuito esquema tocadisco  Astor modelo CPL

 

Circuito  AmplificadorAudinac modelo 4210

 

Circuito Amplificador Audinac QX540

 

Circuito Amplificador Dinakit estereo modelo 70

 

Circuito Amplificador Fender Twin Reverb AMP AB763

 

Circuito Amplificador  London Electric para guitarra

 

Circuito Amplificador Philips modelo 2843

 

Circuito Amplificador Philips modelo AG9008

 

Circuito Amplificador Philips modelo EL 6425

 

Circuito Amplificador Philips modelo HFA10

 

Circuito Amplificador Pilot modelo AA902

 

Circuito Amplificador Pilot modelo AA902 A

 

Circuito esquema combinado Ranser valvular estereo

 

Circuito esquema Amplificador tocadisco RCA 3HES5

 

Circuito esquema Amplificador tocadisco RCA 45EY1

 

Circuito esquema Amplificador tocadisco RCA 45EY2

 

Circuito esquema Amplificador tocadisco RCA 45EY3

 

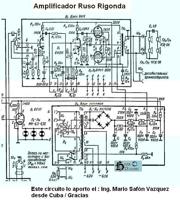
Circuito esquema Amplificador Ruso marca Rigonda

 

Circuito esquema Amplificador Sonitel 100 W

 

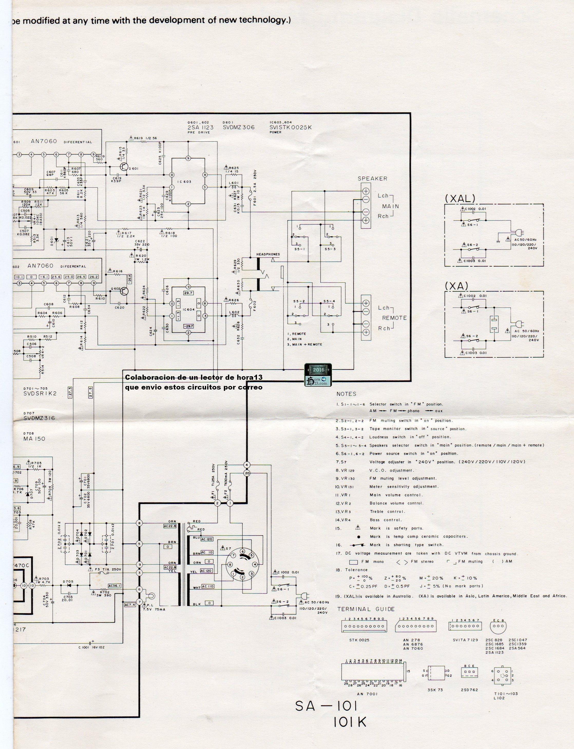
Circuito Sinto Amplificador Technics Sa-101 parte 1

 

Circuito Sinto Amplificador Technics Sa-101 parte 2

 

Circuito esquema Amplificador Technics  Sa-202  parte 1

 

Circuito esquema Amplificador Technics  Sa-202 parte 2

 

Circuito esquema Amplificador Technics Su-2400 parte 1

 

Circuito esquema Amplificador Technics Su-2400 parte 2

 

Circuito esquema Amplificador Technics Su-Z2

 

Circuito esquema Sinto Amp Technics Zt-Z1 parte 1

 

Circuito esquema Sinto Amp Technics Zt-Z1 parte 2

 

Circuito esquema tocadisco Truetone modelo D2604

 

Circuito tocadisco Winco modelo 2050 (original)

 

Circuito Amplificador tocadiscos Zenith HF14 and HF15E

 

Circuito Amplificador tocadiscos Zenith  S 9011

 

Mas circuitos y esquemas de amplificadores ( aqui ) 

 

Circuitos esquemas Radios : 

 

Circuito esquema radio Admiral modelo 5A1

 

Circuito esquema radio Admiral Battery mod. 5AK

 

Circuito esquema radio Admiral modelo 7A2

 

Circuito esquema radio Admiral Stereo mod. C55-07

 

Circuito esquema radio Admiral modelos 4B21 al 4B29

 

Circuito esquema radio Admiral modelos 4W18 y 4T11

 

Circuito esquema radio Admiral  modelos 5E21 a 5E23

 

Circuito esquema radio Admiral  modelos 5F31 a 5F38

 

Circuito esquema radio Admiral  modelos 5G21 a 5G23

 

Circuito esquema radio Admiral  modelos 5G31 a 5G33

 

Circuito esquema radio Admiral  modelos 6J21 Y 6J22

 

Circuito esquema radio Admiral transistor mod. 7V1

 

Circuito esquema radio Admiral transistor mod. 8K2

 

Circuito esquema radio Aircastle modelo 201 

 

Circuito esquema radio Airline modelo 84KR2511 A

 

Circuito esquema radio Airline modelo 94HA527C

 

Circuito esquema radio Air King  modelo 470 -1

 

Circuito esquema radio Air King  modelo 4608

 

Circuito esquema radio Alba modelos 22 y 23

 

Circuito esquema radio Aristona modelo RA 301 U

 

Circuito esquema radio Arvin modelo 444

 

Circuito esquema radio Arvin  portátil 446 P

 

Circuito esquema radio Arvin modelos 450 T y 451 T

 

Circuito esquema radio Arvin  modelos 460T y 461T

 

Circuito esquema radio Arvin  modelos 480 TFM y 481 TFM

 

Circuito esquema radio Astor modelo PS

 

Circuito esquema radio Astor modelo FRW

 

Circuito esquema radio Astor modelo APN

 

Circuito esquema radio Askar modelo 255 A

 

Circuito esquema radio Askar modelo 453 A

 

Circuito esquema radio Askar modelo 454 A

 

Circuito esquema radio Askar modelo 455 A

 

Circuito esquema radio Askar modelo 458 U

 

Circuito esquema radio Askar modelo 481 A

 

Circuito esquema radio Askar modelo 516 A

 

Circuito esquema radio Belmont  modelo 5D110

 

Circuito esquema radio Belmont  modelo 6D111

 

Circuito esquema radio Belmont  modelo 6D120

 

Circuito esquema radio Bendix  modelo 736 B

 

Circuito esquema radio Bendix  modelo 526 AL 526 E

 

Circuito esquema radio Bendix  modelos 753 M y 753 F

 

Circuito esquema radio Bendix  modelos 951 y 951 W

 

Circuito esquema radio Bendix  modelos 953 A y953 D

 

Circuito esquema radio Bendix  modelos M4 , M4A , M4B 

 

Circuito esquema radio bobinas BYE modelo 59

 

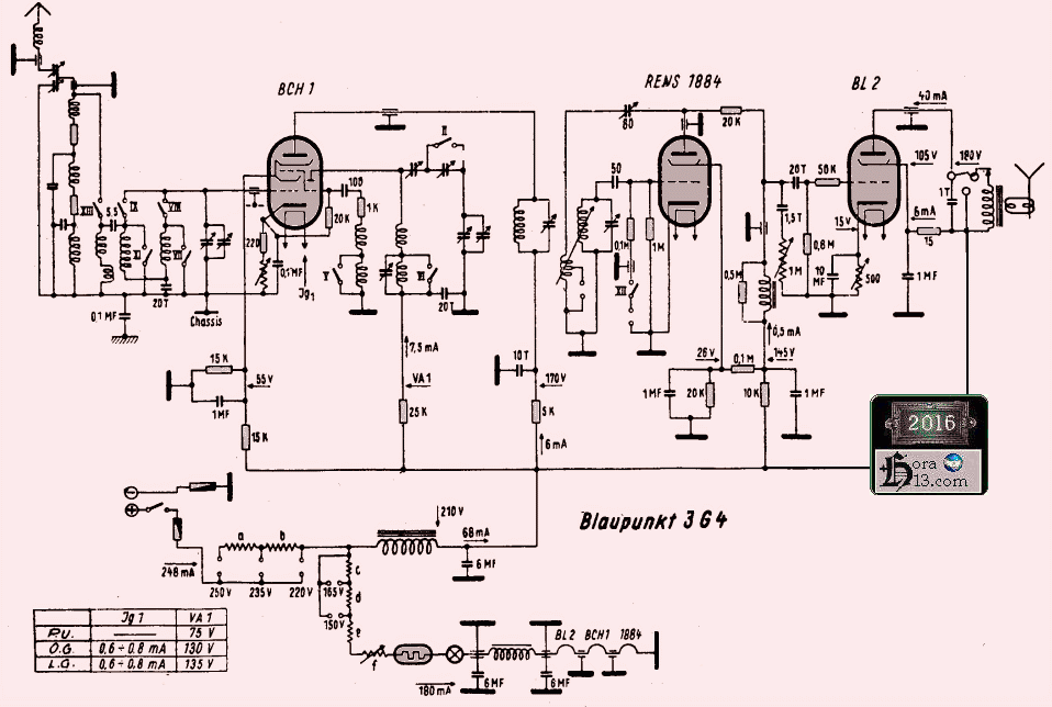
Circuito esquema radio Blaupunkt modelo 3G4

 

Circuito esquema radio Blaupunkt modelo H 2053

 

Circuito esquema radio Blaupunkt Salerno

 

Circuito esquema radio Capehart  modelo TC20

 

Circuito esquema radio Capehart  modelo TC30

 

Circuito esquema radio Capehart  modelo T54 

 

Circuito esquema radio Capricho modelo 1651 U

 

Circuito esquema radio CBS Columbia modelo 535 

 

Circuito radio Coronado  modelo 05RA33

 

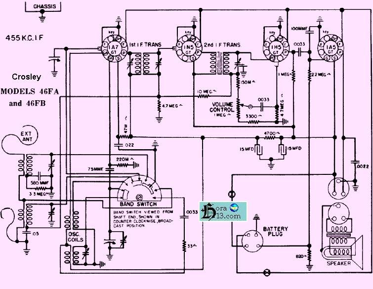
Circuito  radio Crosley  modelos 46FA y 46FB

 

Circuito  radio Crosley  modelo 56FC

 

Circuito  radio Crosley  modelos  56TA al 56TC

 

Circuito  radio Crosley  modelos  66CA al 66CQ

 

Circuito  radio Crosley  modelos 66TA , 66TC , 66TW 

 

Circuito  radio Crosley  modelos 11-100U - 11-105U

 

Circuito  radio Crosley  modelos 11-120U a 11-125 U

 

Circuito  radio Crosley  modelos 11-106 U - 11-109 U

 

Circuito  radio Crosley  modelos 11-114 U  - 11-119 U

 

Circuito  radio Crosley  modelos 11- 301 U al 11- 305 U

 

Circuito  radio Crosley  modelos 11-550 MU - 11-560 BU

 

Circuito esquema radio Dewald  modelo E 520

 

Circuito esquema radio Douglas 23 C

 

Circuito esquema radio Ducati modelo RR 1240

 

Circuito esquema radio Ducati modelos 2050 y 2055

 

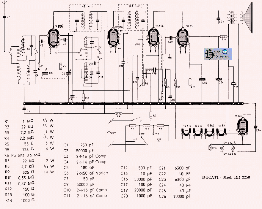
Circuito esquema radio Ducati modelo RR 2250

 

Circuito esquema radio Ducati modelo RR 2404

 

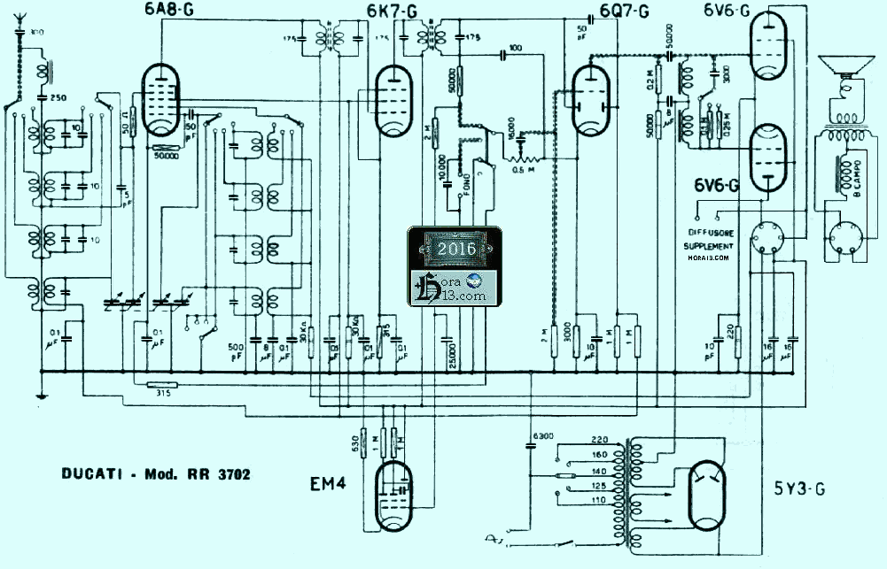
Circuito esquema radio Ducati modelo RR 3702

 

Circuito esquema radio Dumont modelo W 197

 

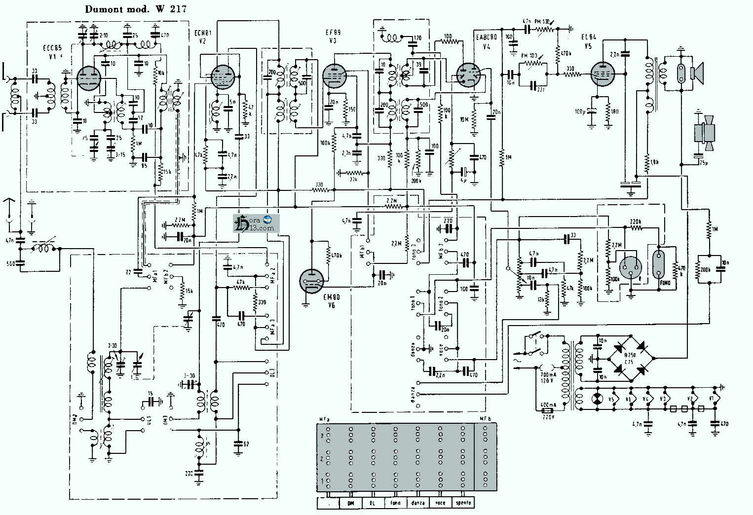
Circuito esquema radio Dumont modelo W 217

 

Circuito esquema radio Dumont modelos RA378 y RA379

 

Circuito esquema radio Emerson modelo 547 A

 

Circuito esquema radio Emerson modelo 591

 

Circuito esquema radio Emerson modelo 599

 

Circuito esquema radio Emerson modelos  634B y 672B

 

Circuito esquema radio tocadisco Emerson modelo 783 B

 

Mas circuitos radios Emerson en ( capitulo 7) (1) y (3) y (6)

 

Circuito radio Ermsa modelo 52 PB

 

Circuito radio Fada  modelo P111

 

Circuito radio Firestone modelo 4 A 70

 

Circuito  radio Geloso transistor modelo 3303

 

Circuito  radio Graetz Chanson 02 C

 

Circuito  radio Graetz 41 W AC

 

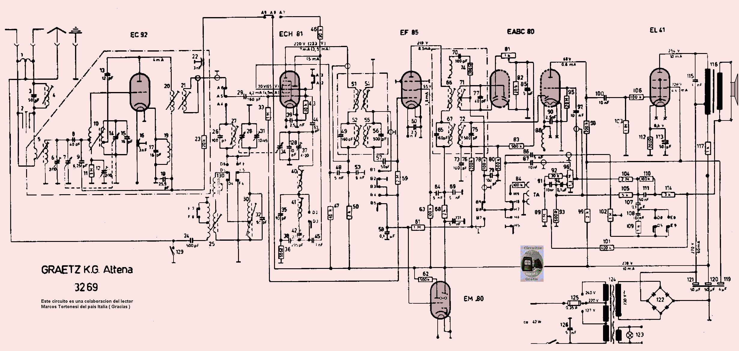
Circuito  radio Graetz 3269

 

 

 

Circuito radio Hallicrafters modelo 5R10

 

Circuito radio Hallicrafters modelos 5R31 a 5R34

 

Circuito radio Hallicrafters modelos 5R50 a 5R52

 

Circuito radio Hallicrafters modelo S 38 A

 

Circuito radio Hallicrafters modelo S 38C

 

Circuito radio Hallicrafters modelo S40 B ( parte uno)

 

Circuito radio Hallicrafters modelo S40 B ( parte dos)

 

Circuito radio Hallicrafters modelos 51C1 y 51C2 A 

 

Circuito  radio Hallicrafters modelos 611 y 612

 

Circuito  radio Hallicrafters modelo SX24

 

Circuito  radio Hallicrafters modelo SX 28

 

Circuito  radio Hallicrafters modelo TW25

 

Circuito radio Hoffman  modelos 204 y 205

 

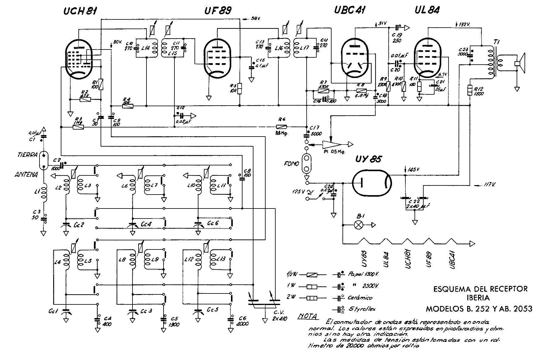
Circuito esquema radio Iberia B252

 

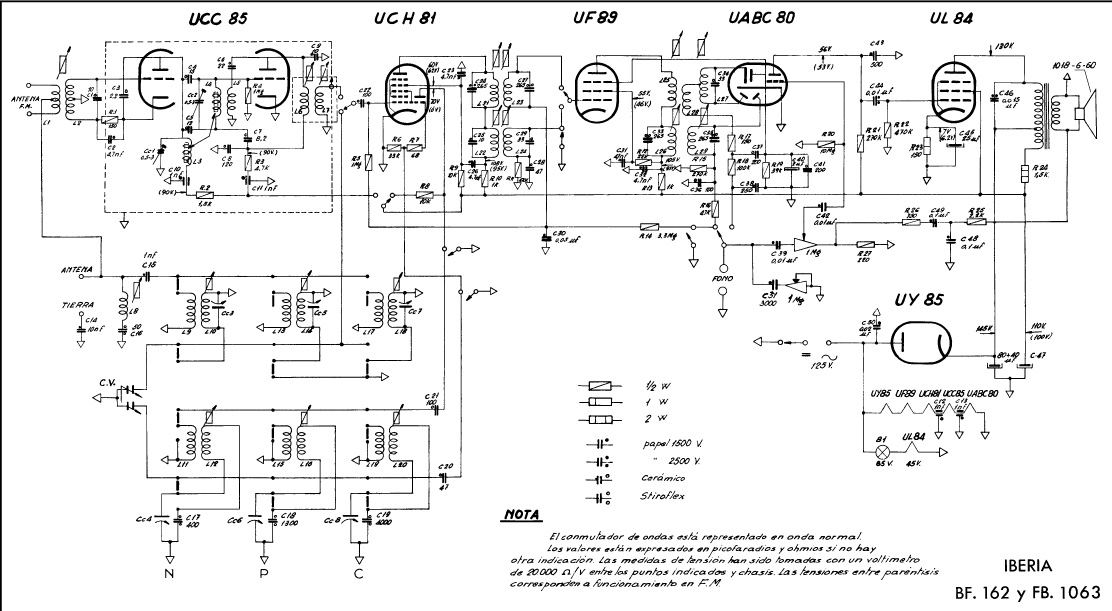
Circuito esquema radio Iberia BF 162

 

Circuito esquema radio Iberia BF 1063

 

Circuito esquema radio Iberia D 1613

 

Circuito esquema radio Iberia RP130

 

Mas circuitos radio Iberia tomo dos

 

Circuito esquema radio Fapesa ampliband BYE 281 T

 

Circuito esquema radio Jewel  modelo 955

 

Circuito esquema radio Jewel  modelo 956 

 

Circuito esquema radio Jewel  modelos 960 y961

 

Circuito esquema radio Jewel  modelo 5010 U

 

Circuito esquema radio Jewel  modelo 5050

 

Circuito esquema radio Jewel  modelo 5057 U

 

Circuito esquema radio Knigth  modelo 5G563

 

Circuito esquema radio Lafayette portatil 9 Volts

 

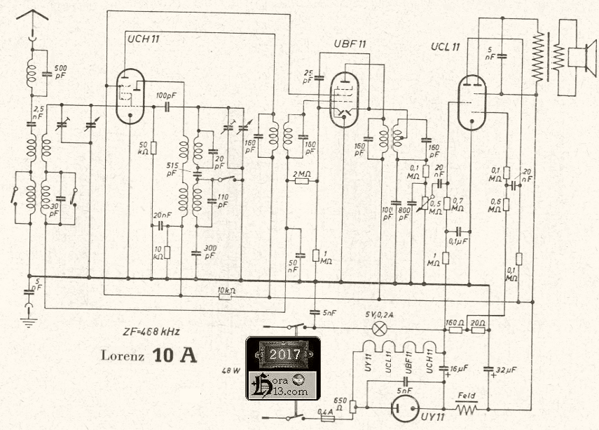
Circuito esquema radio Lorenz modelo 10 A

 

Circuito esquema radio Lorenz modelo 100 AL

 

Circuito esquema radio Lorenz modelo 167 W

 

Circuito radio Loewe Opta modelo 137 GW

 

Circuito radio Loewe Opta modelo 138 GW

 

Circuito radio Loewe Opta modelo 741 W Plastik

 

Circuito radio Loewe Opta modelo 1651 Sonatine

 

Circuito radio Loewe Opta modelo 1701 W

 

Circuito radio Loewe Opta modelo 1741 Luna

 

Circuito radio Loewe Opta modelo 1761 Apollo

 

Circuito radio Loewe Opta modelo 2739 W

 

Circuito radio Loewe Opta modelo Zwerg Super 3516 GW

 

Circuito radio Loewe Opta modelo Dolly 3921

 

Circuito radio Loewe Opta modelo Vineta Stereo 4781W

 

Circuito radio Loewe Opta modelo Dandy 5900

 

Circuito radio Loewe Opta modelo 6945 Ronny

 

Circuito radio Loewe Opta modelo Magnet

 

Circuito radio Magestic modelos 5A410 al 5A430

 

Circuito radio Maguire modelo 6 L

 

Circuito radio Maguire modelo 6 K

 

Circuito radio Mantel modelo BPJ

 

Circuito  radio Minerva modelo 395 B

 

Circuito radio Montgomery  modelo 15HA 1553A

 

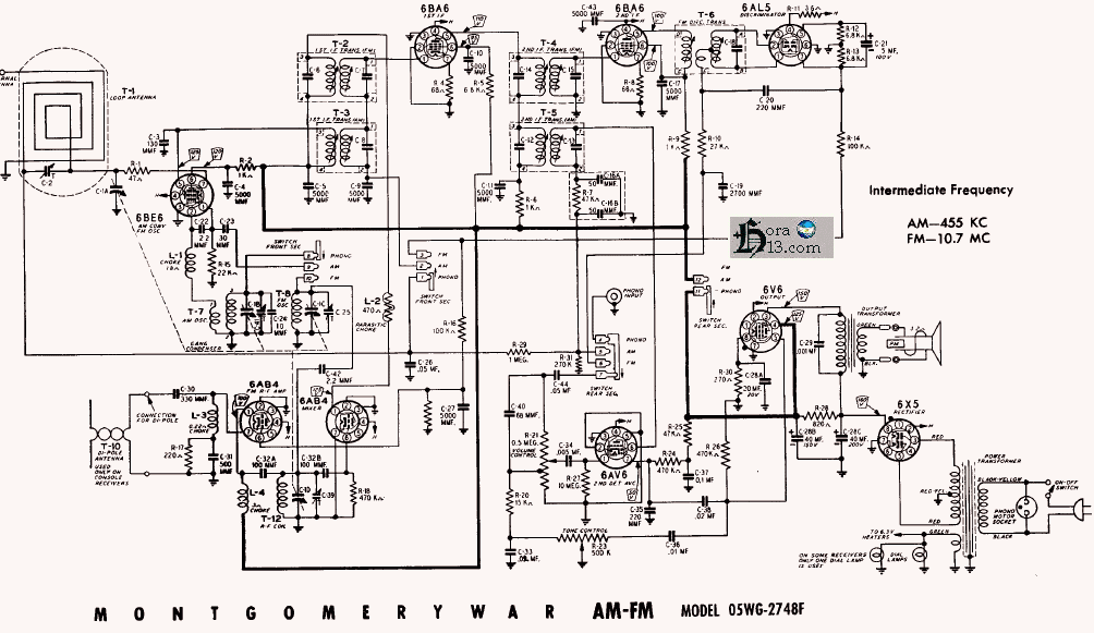
Circuito radio Montgomery  AM FM 05WG 2748 F

 

Circuito radio National Panasonic modelo T100

 

Circuitos y esquemas de ojos de sintonía

 

Circuito esquema radio Olympic  modelo 489

 

Circuito esquema radio Packard Bell modelo 673

 

Circuito esquema radio Philco  modelo T 901

 

Circuito esquema radio Philco  modelo 51 1330

 

Circuito esquema radio Philco modelos 51530 Y 51534

 

Mas circuitos radios Philco en tomos 1 - 34  

 

Circuito esquema radio Phonola transistor modelo T 501

 

Circuito esquema radio Phonola modelos 591 y 593

 

Circuito esquema radio Phonola modelo 597

 

Circuito esquema radio Phonola modelo 599

 

Circuito esquema radio Phonola modelo T 901

 

Circuito esquema radio Phonola modelo 1943

 

Circuito esquema radio Phonola modelo 5509

 

Circuito esquema radio Phonola modelo 5515 A

 

Circuito esquema radio Phonola modelo 5525 

 

Mas circuitos radio Phonola en tomo 6

 

Circuito esquema Radialva modelo Super AS 55

 

Circuito esquema Radiola  modelo RA73 A

 

Circuito esquema Radiomarelli modelo 9U65 D

 

Circuito esquema Rema Allegro modelo 82

 

Circuito esquema Rema Centuri modelo 2060

 

Circuito esquema Sanyo transistor modelo 7s - p6

 

Circuito esquema Sanyo transistor modelo Super Six

 

Circuito esquema radio Silvertone  chassis 478233

 

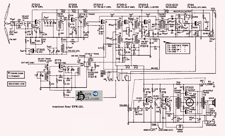
Circuito esquema radio Sony modelo TMF 121

 

Circuito esquema radio Sony modelo 121

 

Circuito esquema radio Sony modelo 151

 

Circuito esquema radio Sonora modelo Princesse 3

 

Circuito esquema radio Sonora modelo Sonorette 36

 

Circuito esquema radio Sonora Excellence 200 y 201

 

Circuito esquema radio Sparton modelos 5A3 y 5A3C

 

Circuito esquema radio Stewart Warner modelo 9180 B

 

Circuito esquema radio Tesla modelo 306 U

 

Circuito esquema radio Tesla modelo 308

 

Circuito esquema radio Tonomac modelo TBW 830

 

Circuito radio transistores Tommy ACHE 

 

Circuito esquema radio Wards modelo 54BR 1501A

 

Circuito radio Wells Gardner  modelo 37D14 - 600

 

Circuito radio Westinghouse modelo H188

 

Circuito radio Westinghouse modelos H122 y H130

 

Circuito radio Westinghouse modelo H309P5

 

Circuito radio Westinghouse modelo H327T6u

 

Circuito radio Westinghouse modelo H334T7U

 

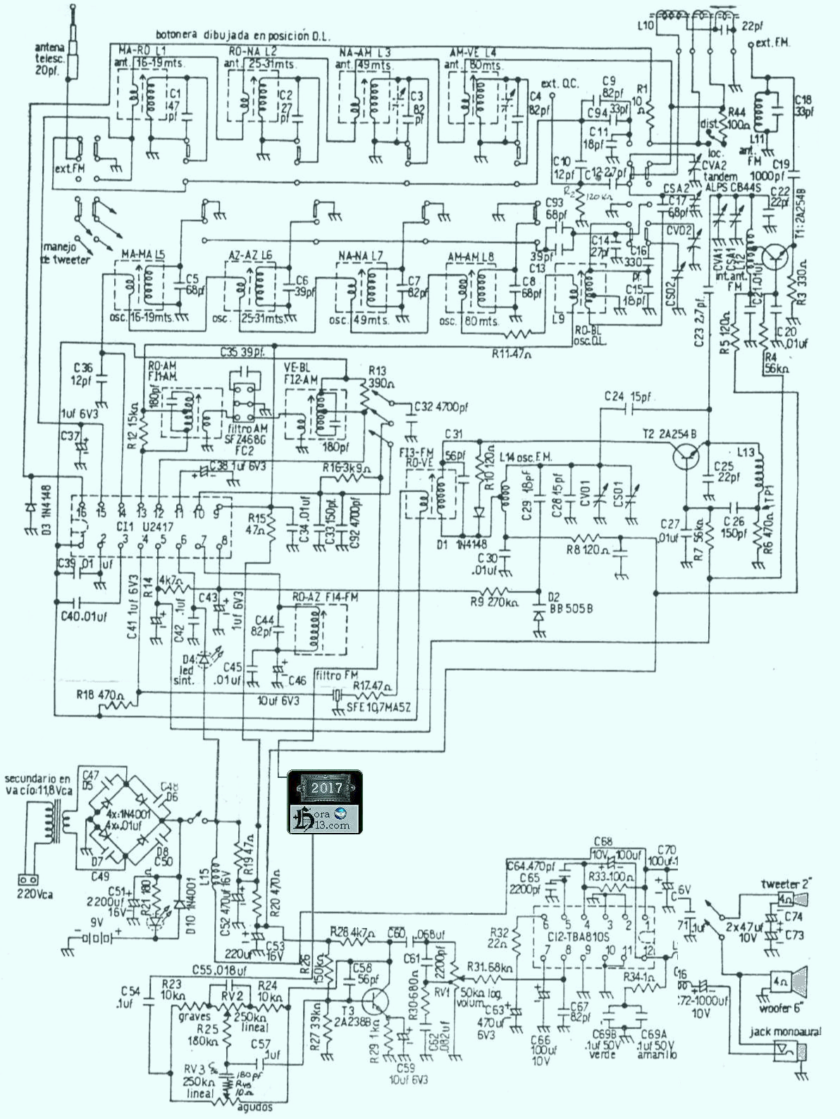
Circuito radio Westinghouse modelo H36675u

 

Circuito radio Westinghouse modelos H417T5 y H418T5

 

Circuito radio Zenith Royal modelo 40-50k-60

 

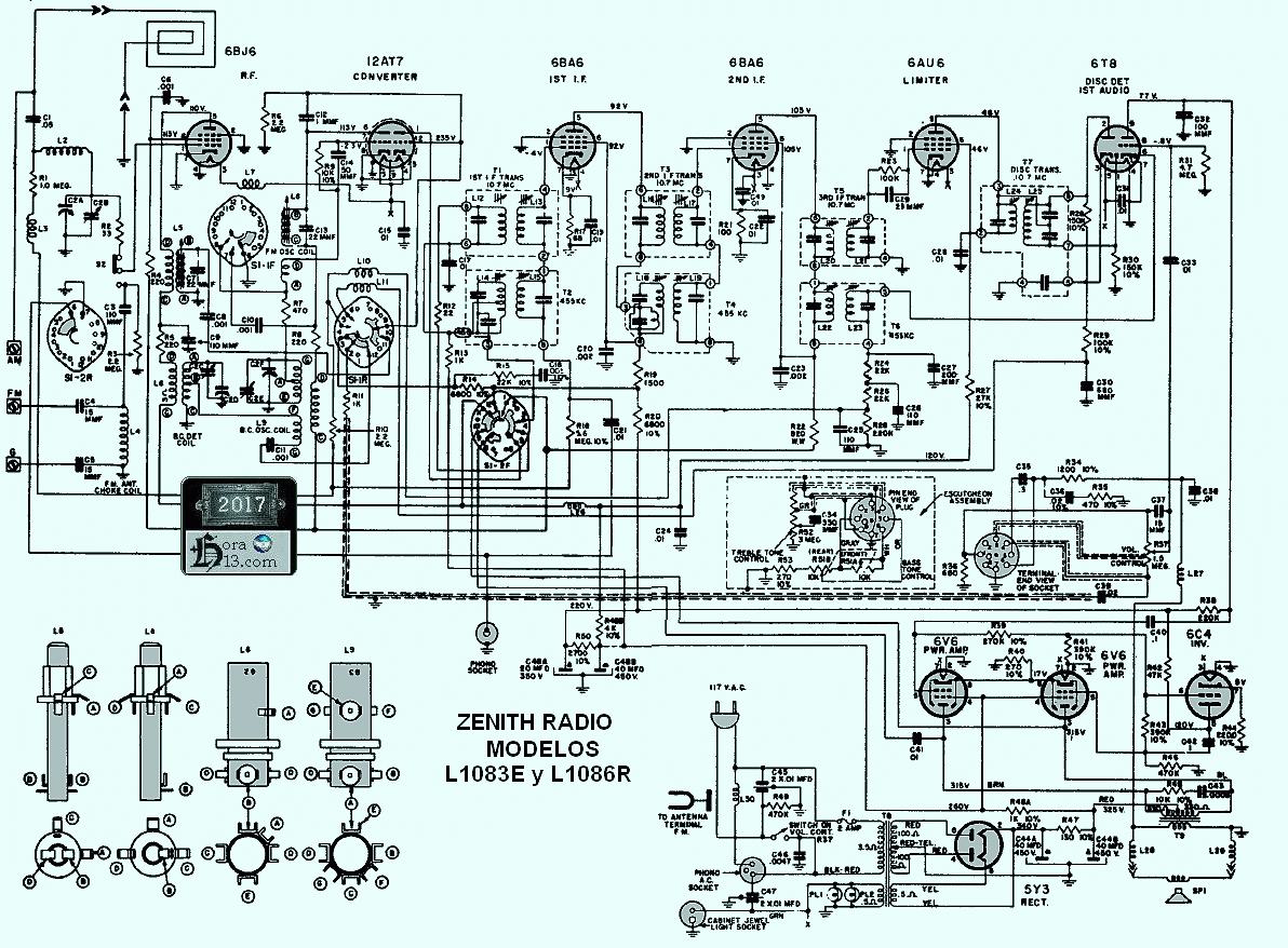
Circuito radio Zenith modelos L1083E y L1086R

 

Circuito radio Zenith Royal modelo 500

 

Circuito radio Zenith modelos L515 y L520

 

Circuito radio Zenith Royal modelo 700 L

 

Circuito radio Zenith Royal modelo 1000

 

Circuito radio Zenith Royal modelo 1000 D

 

Circuito radio Zenith Royal modelo 3000 1

 

Circuito radio Zenith modelos 5D011 al 5D027

 

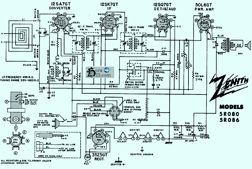
Circuito radio Zenith modelos 5R080 / 86

 

Circuito radio Zenith modelos 6D014 y 6D029

 

Circuito radio Zenith modelos 6D015 y 6D030

 

Circuito radio Zenith modelo 6G001

 

Circuito radio Zenith modelo 6R060

 

Circuito radio Zenith modelo 6R084

 

Circuito radio Zenith modelo 8G005

 

Circuito radio Zenith modelos 12H090 al 12H094 ( parte1)

 

Circuito radio Zenith modelos 12H090 al 12H094 ( parte2)

 

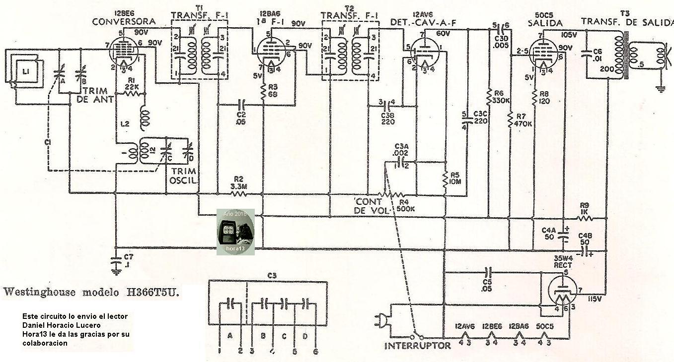
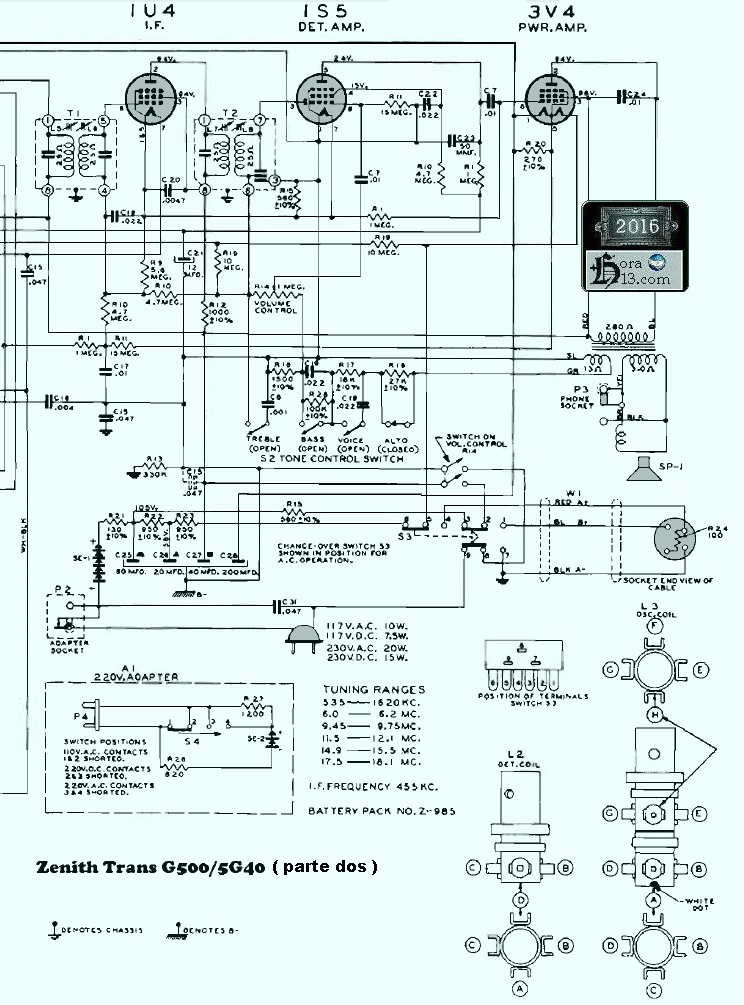
Circuito radio Zenith Transoceanic G500 parte 1

 

Circuito radio Zenith Transoceanic G500 parte 2 

 

Circuito radio Zenith Transoceanic R520

 

Circuito radio Zenith modelos L565E y L565R

 

Circuito radio Zenith modelos L677R y L677E

 

Circuito radio Zenith modelo M510R

 

Mas circuitos marca Zenith en tomo 1 - 3   

Atención : Si aun no encuentras el modelo que buscas recuerda que tienes " La misma marca" pero distintos modelos en :

Circuitos y esquemas ( parte uno ) ( parte dos) ( parte tres) ( parte cuatro ) ( seis) (siete)

 

 

Todo lo que deseas saber sobre Electrónica  Antigua lo tienes gratis ( aqui) 

 

Productora " Zvnka" Mantiene vigente todos los derechos reservados y registrados a nombre del autor Vnicolav Chp3ovak ( hora13 ) 
Copyright 2000 - 2018 www.hora13.com Buenos Aires . Argentina Dirección Nacional de Derechos de Autor.
 Ley de la propiedad intelectual 11.723/33 , Para la copia o difusión de este material debe solicitar autorización , al menos que el mismo

sea utilizado para su uso personal ; Contacto con el portal Aqui