Radios , tocadiscos , amplificadores , televisores , combinados , auto radios  ( Parte cuatro )  Año 2017- 2018 

Circuitos , planos , diagramas , esquemas  Circuits , graphs , Schemes , układy tranzystorowe zawór

Este espacio gratuito esta auspiciado por "Los Restauradores de Argentina "

Circuitos

Planos

Diagramas

Para técnicos , Restauradores

Hobbistas , Amateurs , Novatos

Y todo aquel que desea buscar

circuitos antiguos ...

Este será sin lugar a dudas

tu lugar ...

 

Atención

Este sitio y los siete capítulos restantes actualizan su contenido cada 24 horas  subiendo nuevos circuitos y esquemas

 

   

Usted esta en :(circuitos parte cuatro ) ver (tomo uno) (tomo dos) (tomo tres) (tomo cinco) ( tomo seis ) (tomo siete)

Atención hora13 informa : Si usted baja circuitos de este sitio los mismos son para su uso personal , pero UD. No esta autorizado

para copiarlos en otros sitios Web ; En tal caso solicite autorización mediante nuestros correos , tampoco le es permitido utilizar nuestro material  con fines de lucro en cualquiera de sus variantes , ante la duda consulte aquí 

 

Circuitos esquemas amplificadores

 

Amplificador 100W Alabama

 

Amplificador Ampex MR 70

 

Amplificador 40W reales con dos 6DQ6

 

Amplificador casero para el taller

 

Amplificador Eneka 10 w ( parte uno)

 

Amplificador Eneka 10 W ( parte dos)

 

Amplificador Eneka 40 W

 

Amplificador a transistores Eneka de 12 W

 

Amplificador Fender  Bassman 135 w

 

Amplificador Geloso modelo G27

 

Amplificador Geloso modelo G269 A

 

Amplificador Geloso modelo G270 A

 

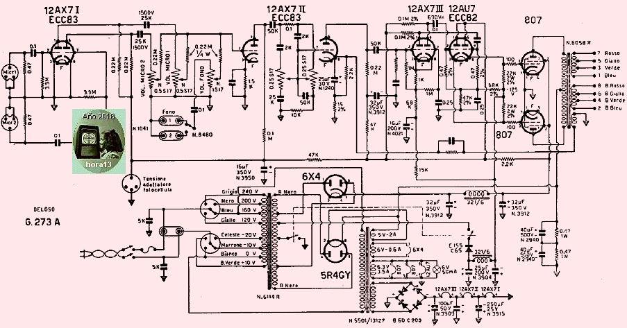
Amplificador Geloso modelo G 273 A

 

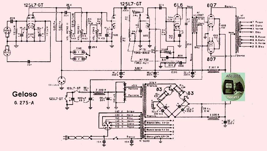
Amplificador Geloso modelo G 275 A

 

Amplificador Northerm Electric modelo F130

 

Amplificador valvular 50 W con 6L6

 

Amplificador Push Pull con dos 6V6 a batería

 

Amplificador a transistores para tocadiscos portátil

 

Potente amplificador con dos 6BQ5 en push pull

 

Amplificador con dos 6AQ5 de salida

 

Amplificador Daxon 18 W valvular

 

Amplificador Daxon 8W dos válvulas

 

Amplificador Daxon Esterero 10 W

 

Amplificador Daxon HI FI estereo 25 W

 

Amplificador Daxon estereo 38 W

 

Amplificador Daxon estereo 40 W

 

Amplificador Daxon a transistores 3W

 

Amplificador Philips valvular 10 W

 

Amplificador Philips valvular 100 W

 

Amplificador de potencia casero

 

Amplificador UCOA de potencia a transistores

 

Tocadiscos Electrofone 6GF 623

 

Tocadiscos Decca DP-630-631

 

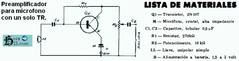
Preamplificador especial para micrófonos

 

 

Mas circuitos esquemas de amplificadores ( aqui

 

 

Circuitos esquemas radios 

 

Circuitos de  autoradios valvulares o hibridos

 

Circuito radio Admiral Modelos 4W18 4W19 4T11

 

Circuito radio Admiral Modelo 4p2

 

Circuito  radio Admiral modelos 5E21 5E22 5E23

 

Circuito radio Admiral modelos 6J21 6J22

 

Circuito radio Admiral  a transistores marca

 

Circuito Radio Ache valvular   153 TA

 

Circuito Radio Astor valvular  serie S

 

Circuito Radio BYE  valvular 59 miniatura

 

Circuito Radio BYE valvular  serie 146 -157

 

Circuito radio Beltmont modelos 151 y 536

 

Circuito radio Beltmont modelo 518

 

Circuito radio de bolsillo años 60

 

Circuito radio Blaupunkt modelo 2GW145

 

Circuito  Radio Crosley modelos 11 , 100U al 11 105U

 

Circuito  Radio Crosley modelo J11

 

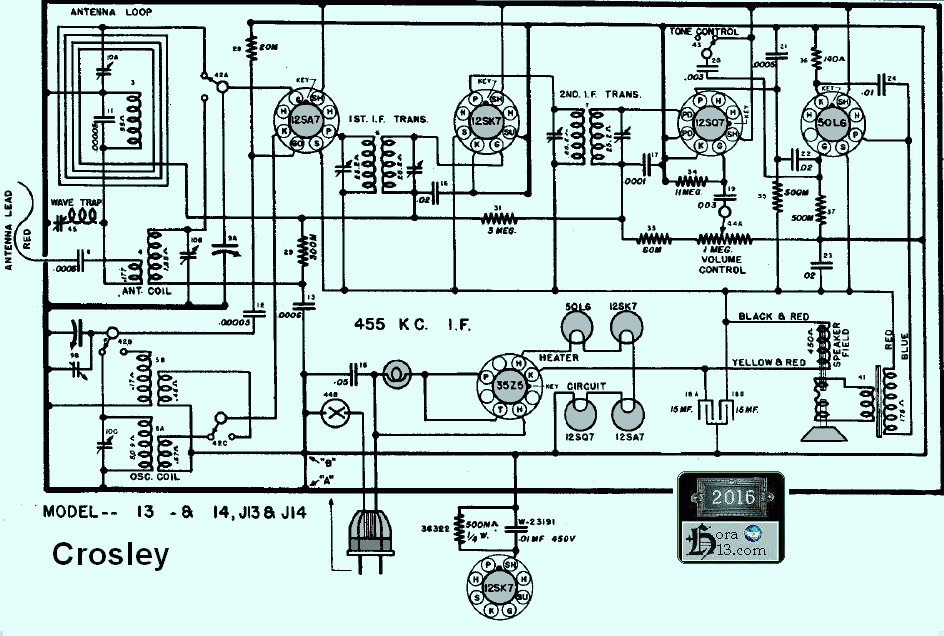
Circuito  Radio Crosley modelos j13 y j14

 

Circuito radio Capehart modelo TC 20

 

Circuito radio Coronado Modelo 15RA38

 

Circuito radio Coronado Modelos 5R11 , 5R12 , 5R13 , 5R14

 

Circuito radio Detrola 4 J valvular  

 

Circuito radio Douglas modelo 23 C

 

Circuito Radio Douglas modelo10 E

 

Circuito Radio Douglas modelo 14C

 

Circuito Radio Douglas modelo 23 C

 

Circuito Radio Douglas modelo 1058

 

Circuito Radio Douglas modelo Super 5

 

Circuito Radio Douglas modelo 45 C

 

Circuito Radio Ducati modelo 2150

 

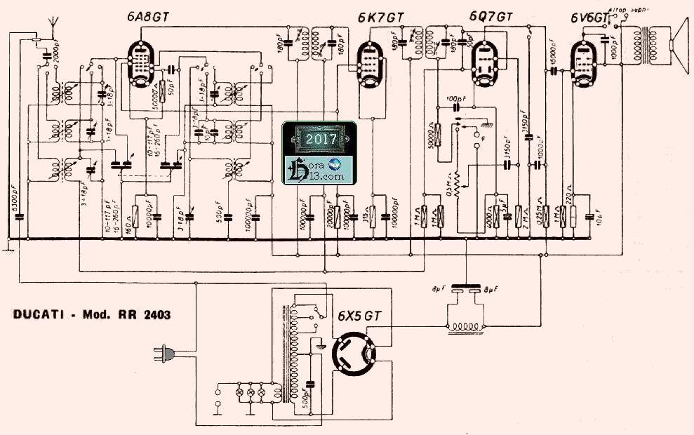
Circuito Radio Ducati modelo RR 2403

 

Circuito Radio Ducati modelo RR 2405

 

Circuito Radio Ducati modelo RR 3702

 

Circuito radio Emerson Conqueror

 

Circuito radio Ergos valvular modelo 780

 

Circuito radio Fada Modelo P111

 

Circuito Auto radio Fapesa serie E a bateria

 

radio valvular Geloso modelo G 903 R

 

Circuito radio Georgette modelo LD 380AB

 

Circuito radio Goodyear modelo 015140

 

Radio valvular Grundig 4570U FM stereo

 

Radio valvular Iberia B252

 

Circuito radio Jewel modelo 955

 

Circuito radio Jewel modelo 956

 

Circuito radio Jewel modelos 960 , 960 U Y 961

 

Circuito radio Jewel modelo 5057 U

 

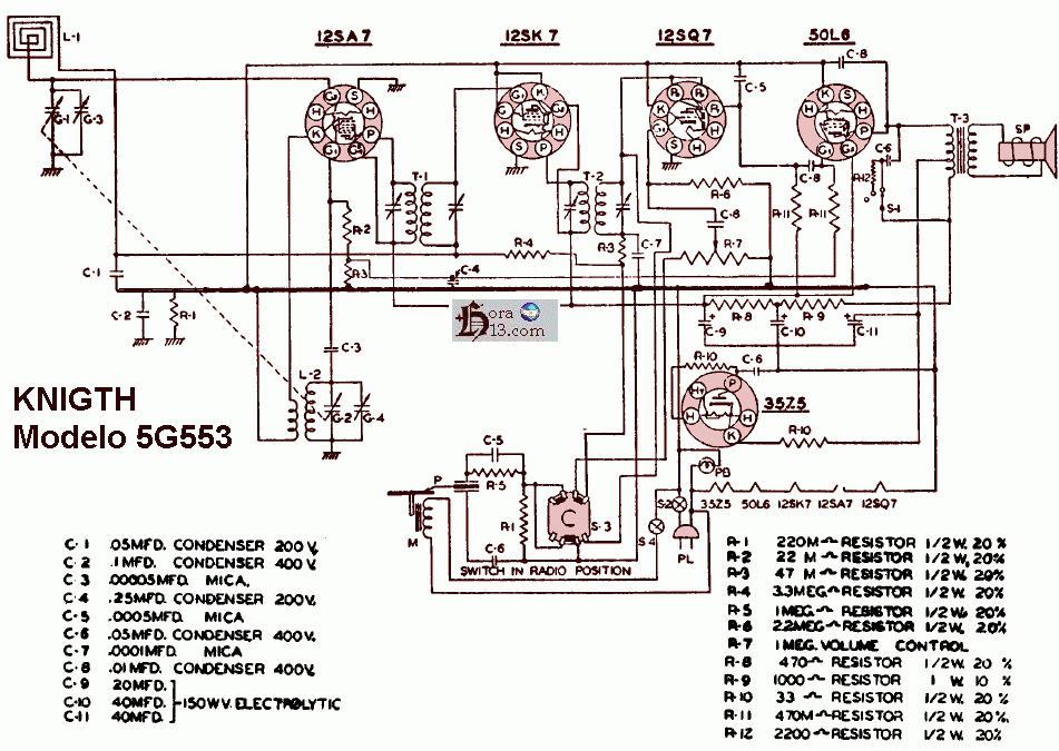
radio Knigth Modelo 5G553

 

radio Kriesler  transistor modelo 41-29

 

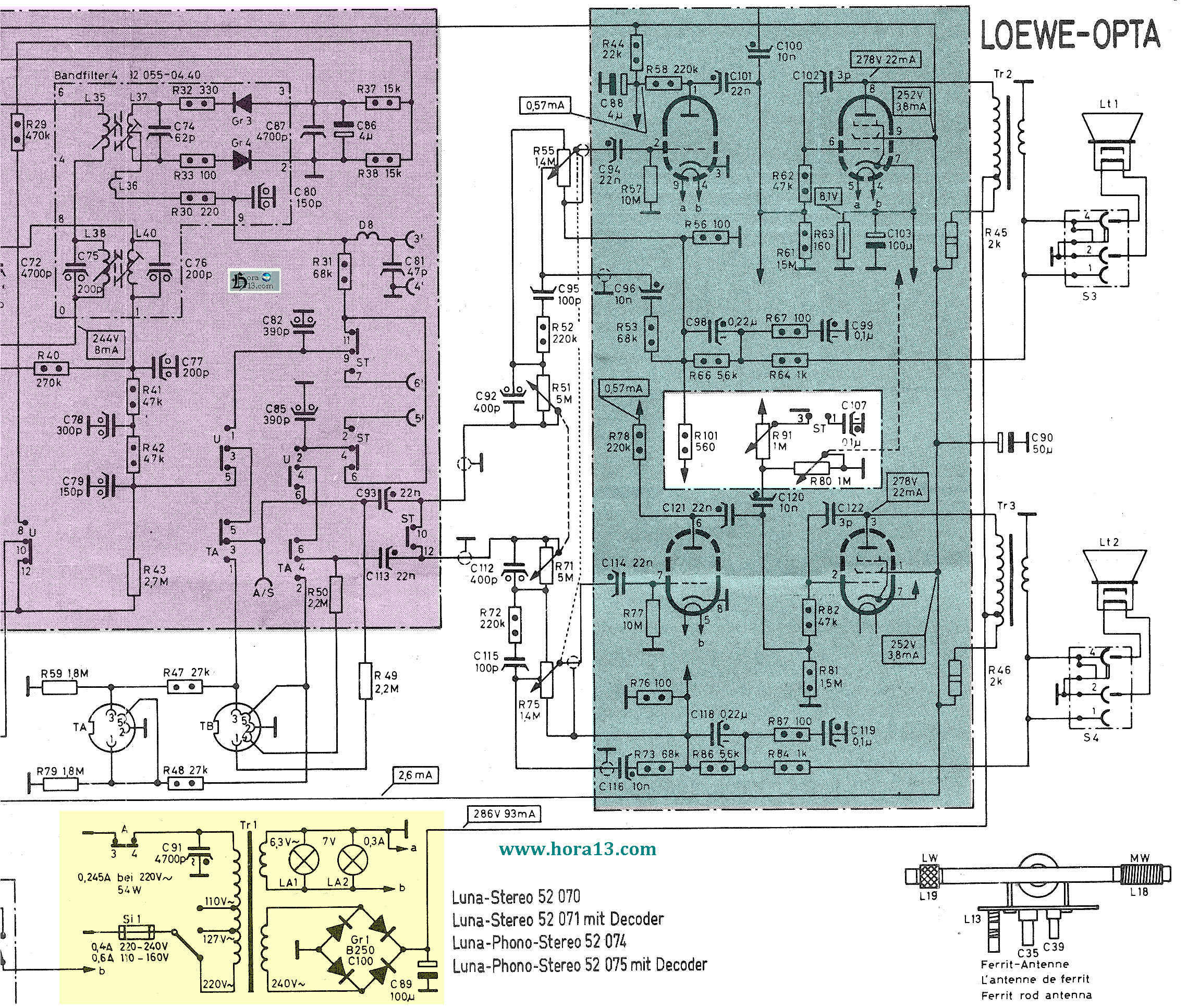
radio Loewe Opta etapa de salida  de radio  

 

mini radio transistores 1966 U.S.A - Japan

 

radio Magestic modelo 1.003

 

radio Marc a transistores

 

radio Lafayette Champion

 

radio Lorenz modelo 100 AL

 

radio Lorenz modelo 1147 GW

 

Radio onda corta y larga de solo cuatro válvulas

 

radio  Oceanic valvular año 1958

 

radio Panasonic valvular modelo RE124

 

radio Panasonic modelo GU362

 

radio Panasonic modelo RE 124

 

 

Mas circuitos esquemas national panasonic tomo (6) 

 

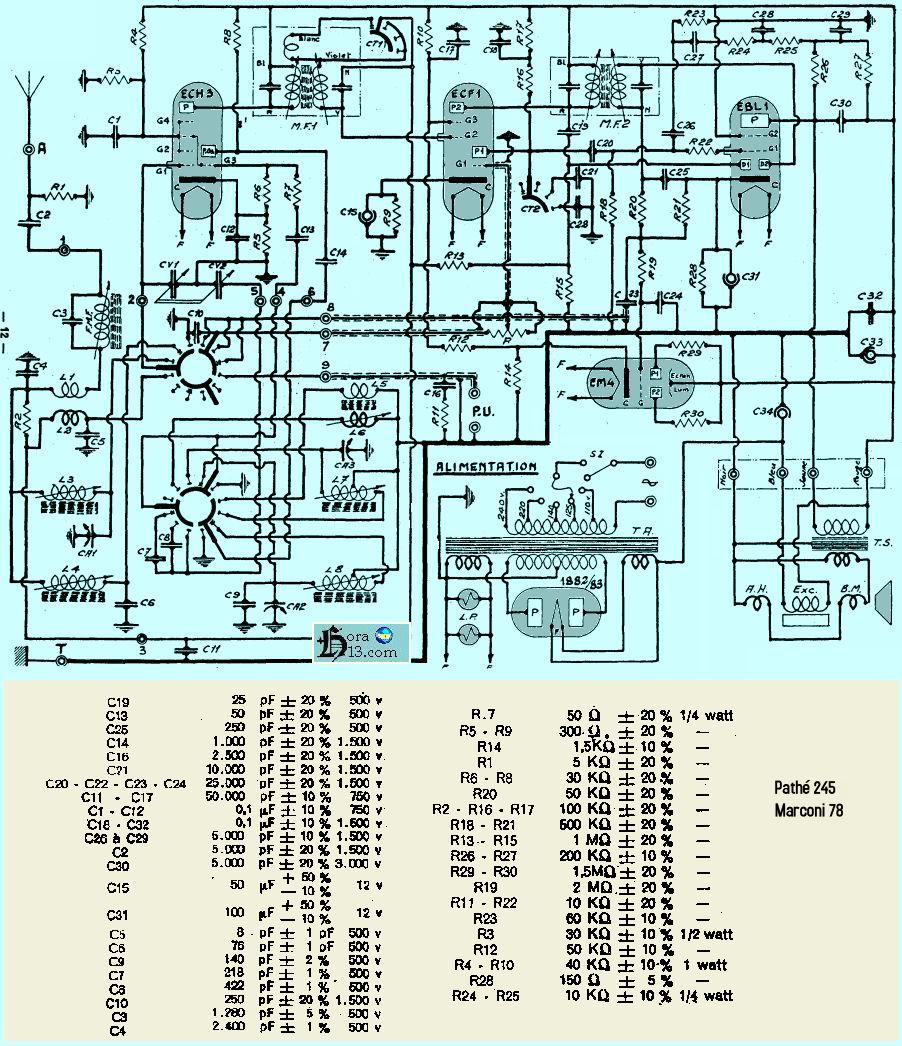
radio Pathe 245 - Marconi 78

 

radio Packard modelo 65R 

 

radio Philco valvular  modelo T806

 

Radio Philco Tropic valvular  modelo 432

 

radio Philips transistores  01 RL 176

 

radio Philips modelos 2A - 2A05 -2A20

 

radio Philips modelo  206 A

 

radio Philips modelo BDK 244 U

 

radio Philips modelo B2X01T

 

radio Philips modelo B0IF95U

 

radio Philips valvular  PH 202 Rogers Majestic

 

radio Philips modelo B4X02A

 

radio Philips modelo BE552 A

 

radio Philips modelo  BX370 U

 

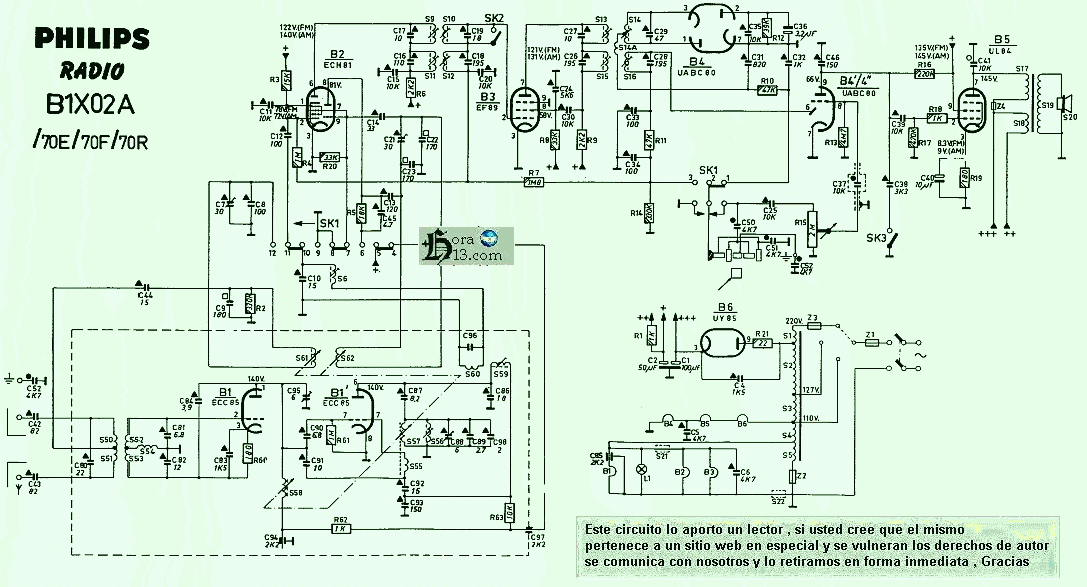
radio Philips modelo B1X02A

 

radio Philips modelo BF111 U

 

radio Philips modelo B2X80U

 

combinado Philips modelo 01 RF306 parte uno

 

combinado Philips modelo 01 RF306 parte dos

 

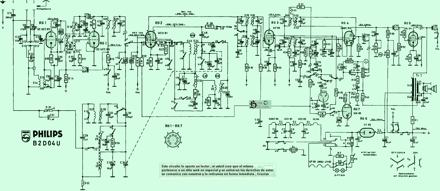
radio Philips modelo B2D04U

 

radio Philips modelo B2D03A

 

radio Philips modelo B2G8IU

 

radio RAF valvular  Serie noval

 

radio RCA linea 12 X y 12 x 2

 

radio Regency transistores  modelo TR -1

 

radio Sonora valvular modelo SF5

 

radio Sharp transistores  TR -182

 

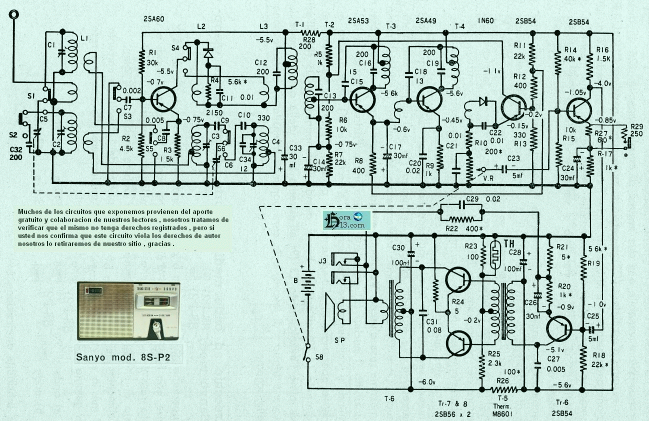
radio Sanyo transistores marca  8S P2

 

radio Sanyo modelo 8S-P2 a transistores

 

radio Sanyo Mercury transistores modelo 8 S- P14

 

radio Siemens modelo SW 607 W

 

radio Sylvania modelos AK45 , AK46 y AT40

 

radio Supertone valvular 

 

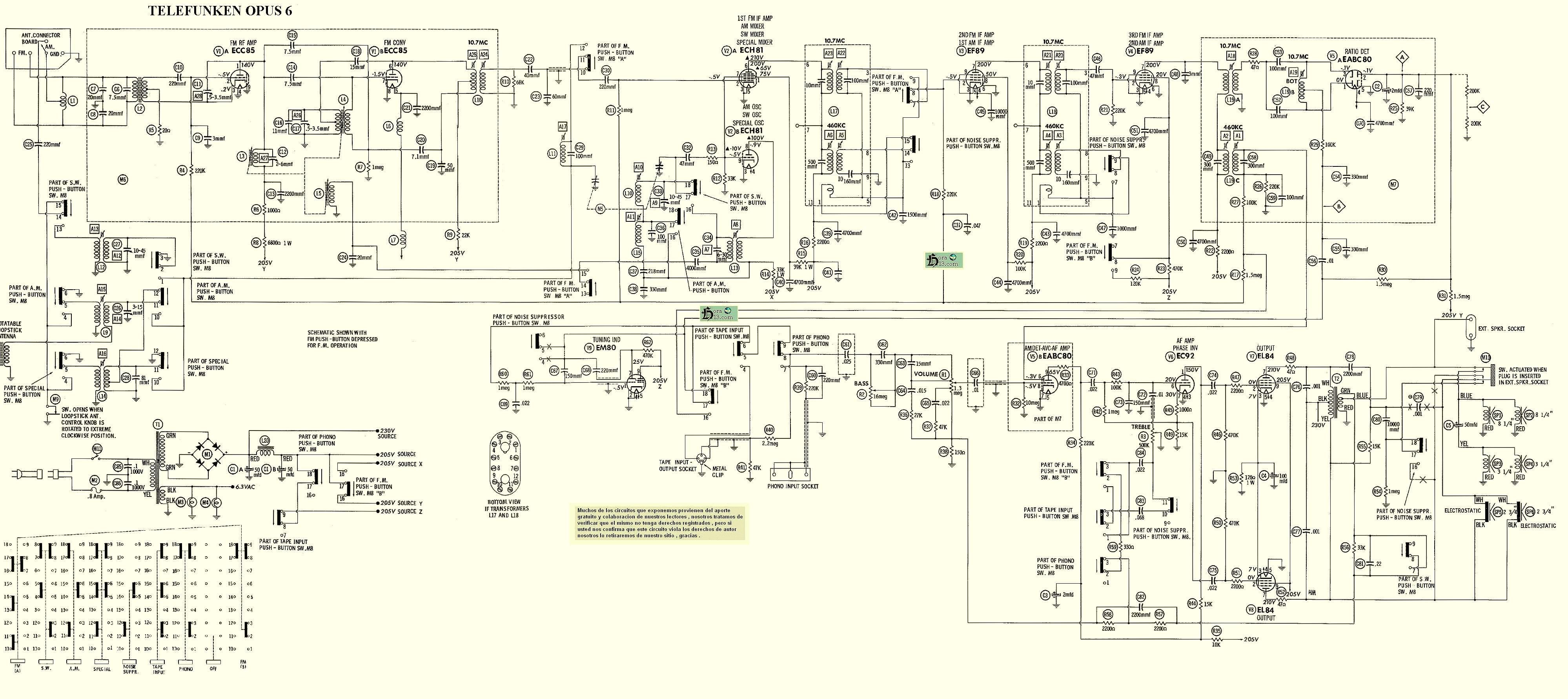
radio Telefunken Opus modelo 6

 

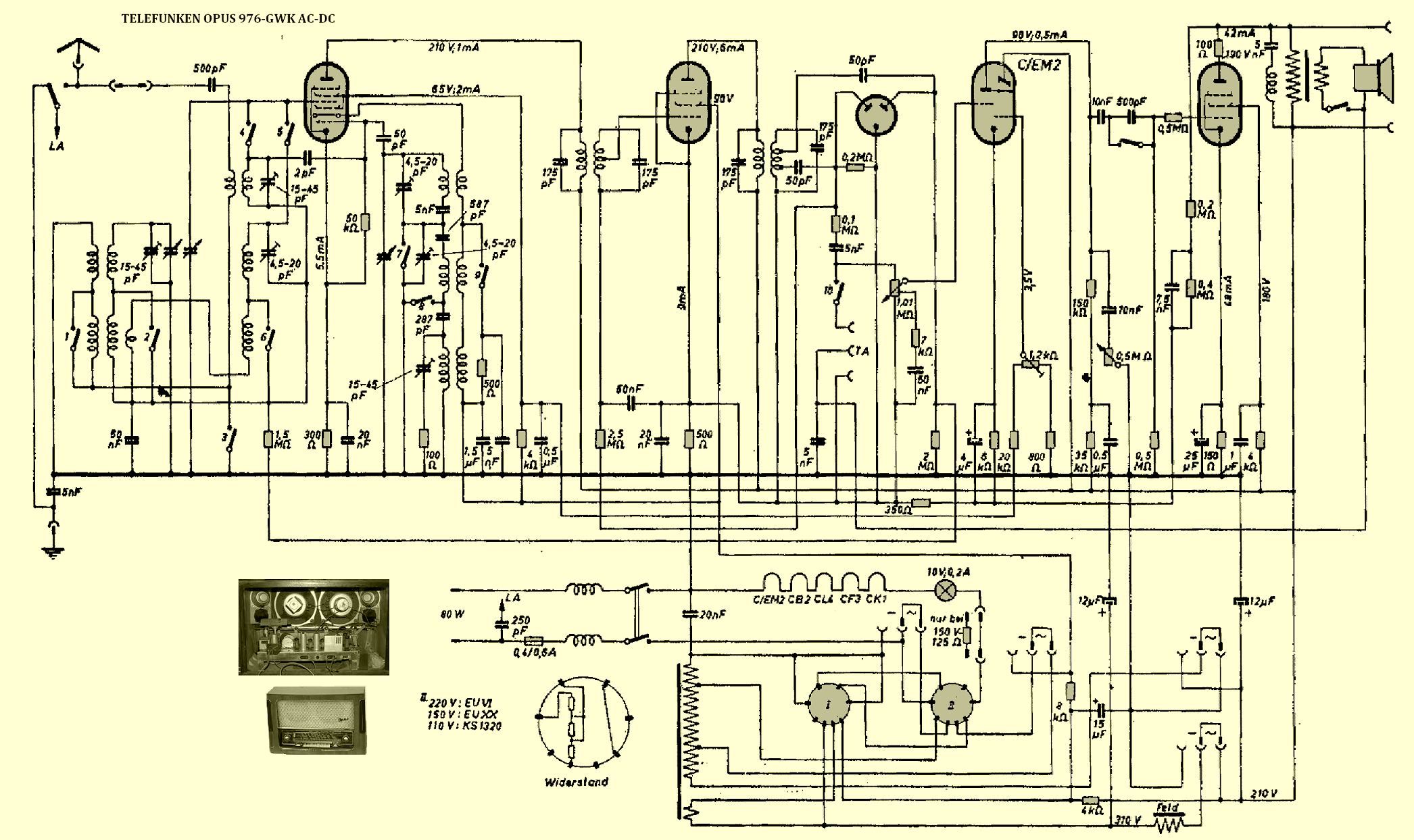
radio Telefunken Opus modelo 976

 

radio Telefunken Opus modelo 2004

 

radio Telefunken modelo T5Z

 

 

Mas circuitos Telefunken en tomos 1 y

 

radio Ucoa valvular  serie TA

 

radio Ucoa valvular  serie Tesla

 

radio Ucoa modelo 540 C

 

radio Ucoa valvular  modelo 556 K acumulador 6Volt

 

radio Ucoa valvular  Serie T E

 

Circuito tocadisco Winco a pilas

 

radio Topeco valvular   modelo 59 - 100

 

radio Topeco transistores  Modelo 59 - 175

 

radio tocadisco combinado RAF

 

radio Wilco a transistores

 

radio Wega modelo 109 ( valvular)

 

radio Wega modelo 119- 203

 

radio Wega modelo 129 (valvular)

 

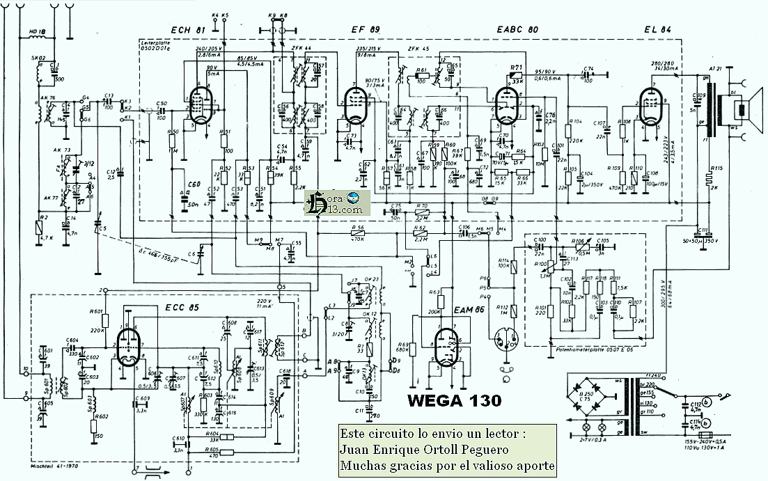
radio Wega modelo 130 (valvular)

 

radio Wega  modelo 135 (valvular)

 

radio Zenit Royal transistores  500

 

 

Mas circuitos y esquemas Zenith en ( parte 1 y parte 6 )

 

 

 

Otros circuitos y esquemas varios : 

 

Transmisor casero banda ciudadana

 

Receptor casero de 3 transistores

 

Probador de equipos de audio

 

Practico inyector de señales

 

Mezclador de un solo transistor

 

Bajar Todos los circuitos de Transmisores (1) 

 

Bajar Todos los circuitos de Transmisores (2)

 

Bajar Todos los circuitos para Autoradios 

 

Bajar Todos los circuitos marca General Electric

 

Bajar Todos los circuitos diagramas radios Philips

 

 

  Mas circuitos de radios a transistores 

radio transistores

Admirald modelos

221 al 228

 

Radio 

Emerson mod. 855

 

Radio a transistores RCA modelo 101

 

Radio 

Zenith Royal modelo 300

 

Radio transistores

tipo standard

para 6V pilas

Circuito radio a transistores

Hitachi modelo

TH 627 R

 

Radio a transistores

Hitachi modelo

WH 829

 

Radio a transistores Toshiba modelo 6TR 92

 

Radio transistores Wega modelo 

103

 

Radio transistores

portatil 

marca Astor

Circuito radio a transistores

Roland modelo

4 T R

 

 

Radio a transistores

 Westinghouse portatil

 

Radio a transistores Zenith Royal modelo 700L

 

Radio transistores

Falcon

bobinas Pigmeo

 

Radio multibanda

linea RCA

 

Circuito radio a transistores

Sony modelo

TR 63

 

Circuito radio a transistores Sony mod. TR 712 

 

Circuito radio a transistores Sony 

mod TR 610

 

Circuito radio a transistores

Sony mod TR 86

 

Circuito radio a transistores Sony 

mod TR 714

 

Circuito radio a transistores

Toshiba modelos

STR 193 Y 194

 

Radio a transistores

Inerlo modelo 

122

 

Radio Tonomac Lark dos

Modelo A 5877

 

Radio a transistores RCA modelo 

7BT 9J

 

Radio transistores

para 6 V pilas

Raf 

Circuito radio a transistores

Hayton

super heterodino

 

Circuito radio a transistores Sanyo modelo 75 P6

 

Circuito radio a transistores Sanyo Super Six

 

Radio a transistores

Sanyo Mercury

mod. 85 P14

 

Radio transistores

Simplex con

bobinas ACHE

Especiales

Circuitos que los técnicos nos solicitaron por correo

este año 

 

 Circuito del Amplificador Ken Brown 15 + 15  también adjuntamos fotos 

esquemas , circuitos y como realizar las mediciones básicas , para detectar  

posibles fallas 

 

" para el taller "

Tocadisco ( combinado) Ken Brown Fonomatic modelo 156

Datos técnicos. Mayormente este equipo no presenta grandes problemas en su mantenimiento  , mas allá de alguna válvula agotada o quemada su circuito esta 

bien elaborado como para soportar varios años de uso SI su falla mas frecuente  

son las Rde ( 270 k )  hay que medirlas todas

como lo indica la imagen ...  (ampliar) .....

 

Un amplificador valvular casero fabricado por los técnicos de hora13.com

Para guitarra eléctrica , micrófono, bandeja giradiscos y entrada extra 

Ideal para el taller o aficionados 

En estereo o monoaural 

" el todo terreno" 

EXCELENTE AMPLIFICADOR VALVULAR.gif (76391 bytes)

 (ampliar imagen a tamaño natural )

 

Atención : Si aun no encuentras lo que buscas recuerda que tienes " La misma marca" pero distintos modelos en :

tomos ( uno ) (dos) ( tres) ( cinco ) ( seis ) (siete)

 

" Todo sobre Electrónica Antigua "

Aqui también toda información y ayuda es gratuita..

( ingresar )

 

Productora " Zvnka" Mantiene vigente todos los derechos reservados y registrados a nombre del autor Vnicolav Chp3ovak ( hora13) 
Copyright 2000 - 2018 www.hora13.com Buenos Aires . Argentina Dirección Nacional de Derechos de Autor.
 Ley de la propiedad intelectual 11.723/33 , Para la copia o difusión de este material debe solicitar autorización , al menos que el mismo

sea utilizado para su uso personal ; Contacto con el portal Aqui

 

Índice general de electrónica antigua

 

 

web analytics