Autoradios , Car Stereo , circuitos , diagramas , valvulares , híbridos y a transistores 

Auto Radios Antiguos

Marcas :

American Motors , Autovox Cadillac  Chevrolet , Valiant

 Ford , Fiat , Philco,Körting

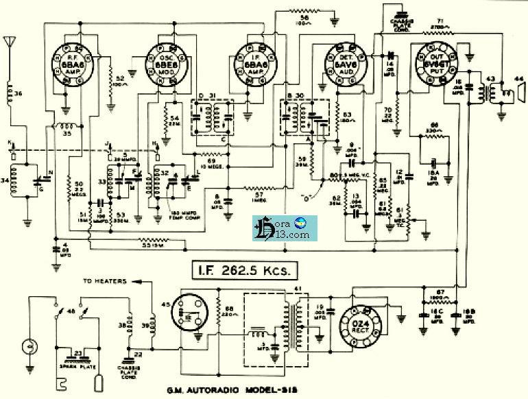
General Motors , Autovox

Pontiac , Coronado Blaupunkt

Desoto , Dodge , Krysler

Studebaker , Super Kar

Delco , Motorola , Peugeot

Norman , Rca Victor ,Buick

Ucoa y otras marcas

Nacionales e internacionales

 

 

Este material que brindamos gratis es solo para su uso personal 

y esta auspiciado por los técnicos restauradores de Argentina 

 

Atención actualizamos cada 72 horas agregando mas circuitos y esquemas

 

NUEVO! Auto radio Philco Ford AR-884 (1980) (Solo la plaqueta de audio, no incluye el circuito de la placa de RF) Gentileza Sr. Héctor Bellesi (circuito)

Auto radio modelo 8 C  (circuito)

Auto radio American Bosch modelo 524 (circuito)

Auto radio American Motors modelo 8990377 (circuito)

Auto radio American Motors modelo 8990494 (circuito)

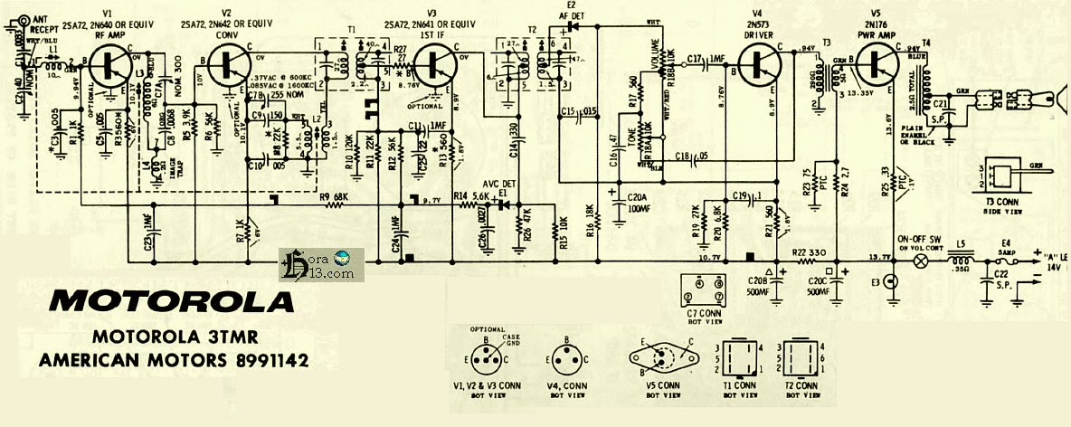
Auto radio American Motors modelo 8991142 (circuito)

Auto radio American Motors  Motorola 6MR (circuito )

Auto radio Arvin modelo 28 (circuito)

Auto radio Aster modelos  506 ( circuito)

Auto radio Aster modelos  516 (circuito )

Auto radio Aster modelos  511-521-561 (circuito)

Auto radio Aster modelos 513-563-613-663  (circuito)

Auto radio Aster modelos 523-533-543-553-623 (circuito)

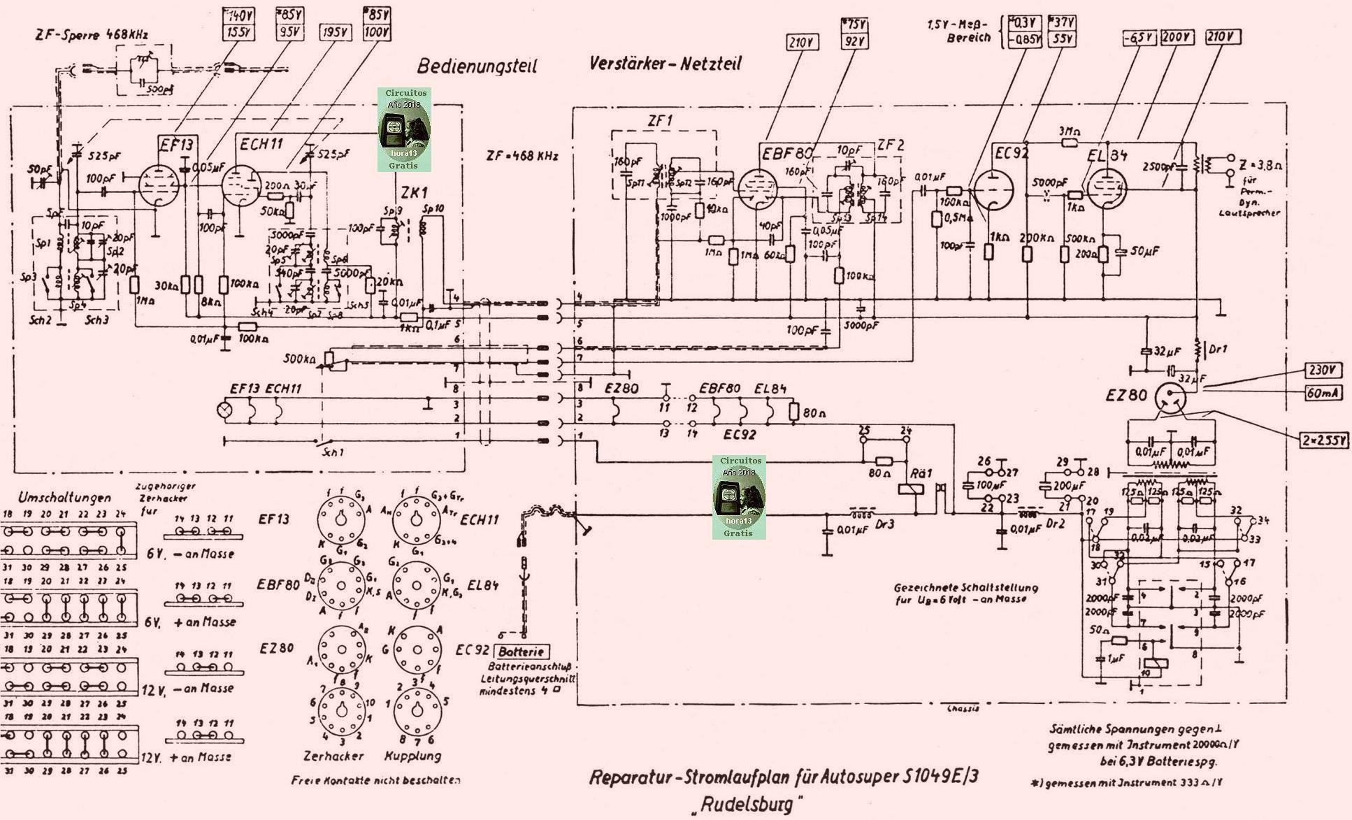
Auto radio Auto Super modelo S1049E3 Rudelsburg (circuito)

Auto radio Auto Super Stern Coupe (circuito)

Auto radio Auto Super Stern Touring modelo A130-20 (circuito)

Auto radio Auto Super Stern Trophy modelo 1800 (circuito)

Auto radio AutoVox modelo RA2 (circuito)

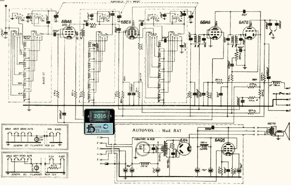
Auto radio AutoVox modelo RA7 (circuito)

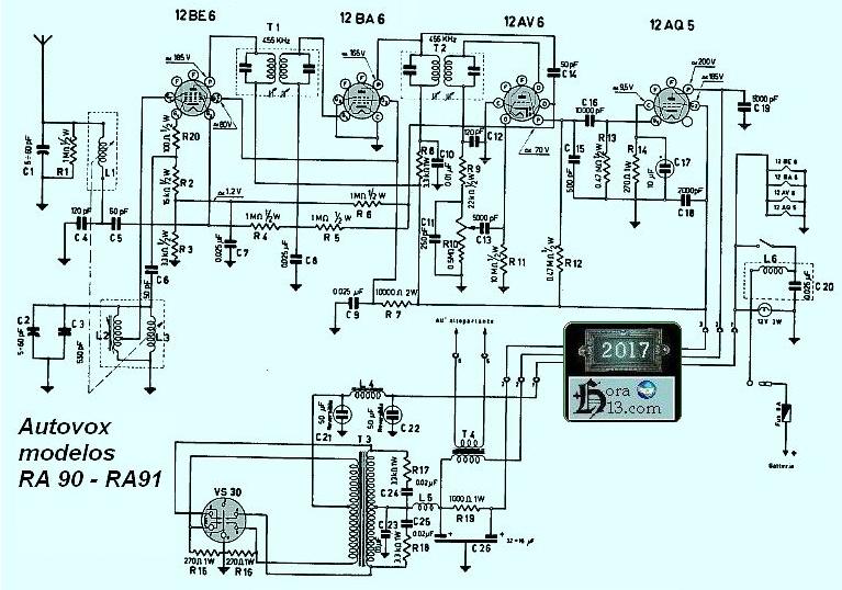
Auto radio AutoVox modelo RA 9 (circuito)

Auto radio AutoVox para modelo RA 10 ( Para Fiat  600) (circuito)

Auto radio AutoVox modelo RA 15 (circuito)

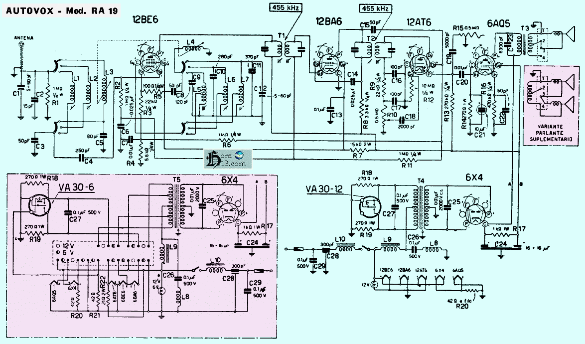
Auto radio AutoVox modelos RA 19 y RA19 E (circuito)

Auto radio AutoVox modelo RA 19 para 12 volt (circuito )

Auto radio AutoVox modelo RA 23 MC (circuito)

Auto radio AutoVox modelo RA 39 (circuito)

Auto radio AutoVox modelo RA 49 (circuito)

Auto radio AutoVox modelo RA 68 (circuito)

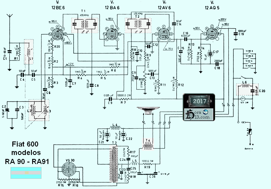
Auto radio AutoVox para Fiat 600 modelo RA 90 (circuito)

Auto radio AutoVox modelos RA90 y RA91 (circuito)

Auto radio AutoVox modelo RA 95  (circuito)

Auto radio AutoVox modelo RA 101 (circuito)

Auto radio AutoVox modelo RA 102 (circuito)

Auto radio AutoVox modelo RA 103 (circuito)

Auto radio AutoVox modelo RA 105 (circuito)

Auto radio AutoVox modelo RA 106 (circuito)

Auto radio AutoVox modelo RA 109 (circuito)

Auto radio AutoVox modelo RA 110  (circuito)

Auto radio AutoVox modelo RA 115  (circuito)

Auto radio AutoVox modelo RA 120 (circuito)

Auto radio AutoVox modelo RA 121 (circuito)

Auto radio AutoVox modelo RA 146 (circuito)

Auto radio AutoVox modelo RA 165 B (circuito)

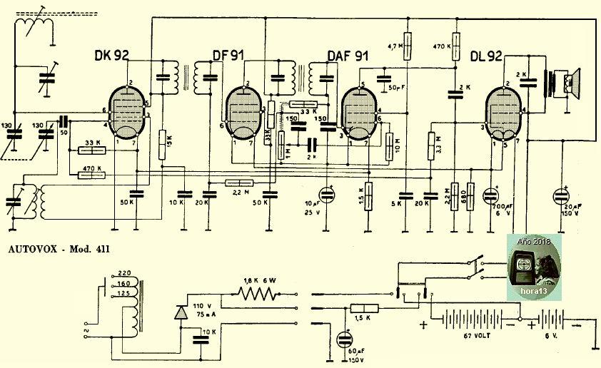
Auto radio AutoVox modelo 411 (circuito)

Auto radio AutoVox modelo RA23C OC - AR (circuito)

Auto radio AutoVox modelo RA 23OC (circuito)

Auto radio AutoVox modelo RA 411 (circuito)

Auto radio AutoVox modelos RA 441 hasta RA 146  (circuito)

Auto radio AutoVox modelo RA 518 (circuito)

Auto radio AutoVox modelo RRA 663 (circuito)

Auto radio AutoVox modelo RRA 1263 (circuito)

Auto radio AutoVox modelos RT51 y RT54 (circuito)

Auto radio AutoVox modelo RT 53 (circuito)

Auto radio AutoVox modelo 19 7014 08 (circuito)

Auto radio Automatic Magic Eye modelo A1 (circuito)

Auto radio Becker (circuito )

Auto radio Becker modelo Brescia (circuito)

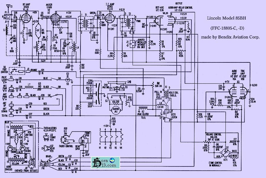
Auto radio Bendix modelo Lincoln 85BH (circuito)

Auto radio Bendix modelo Volkswagen RO BT (circuito)

Auto radio B.Y.E modelo T5 2111 (circuito)

Auto radio B.Y.E 6 Volts  positivo a chasis (circuito)

Auto radio Blaupunkt Bremen  circuito)

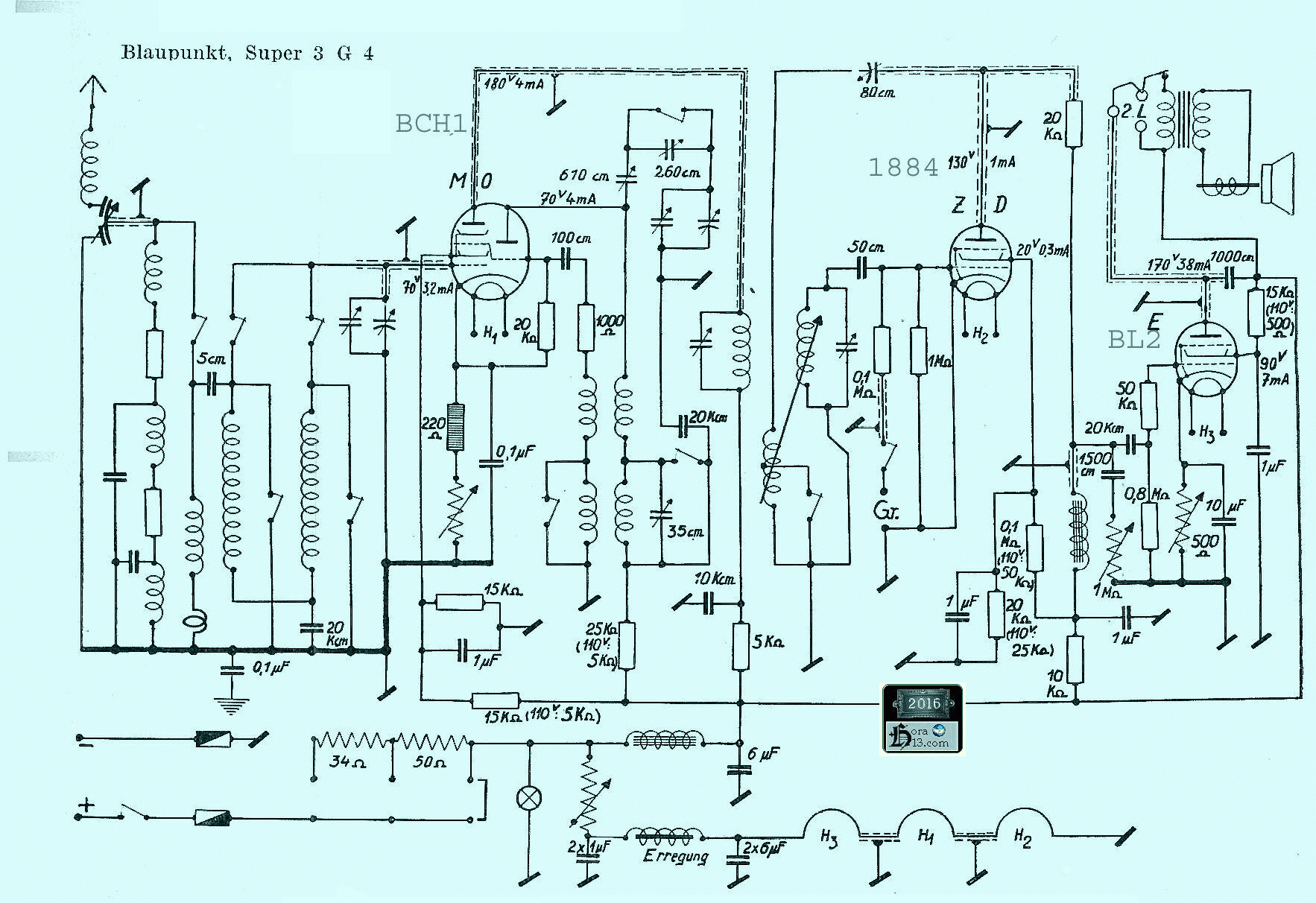
Auto radio Blaupunkt modelo 3 G 4 (circuito)

Auto radio Blaupunkt Hildesheim modelo X1700001 (circuito)

Auto radio Bosch modelos 736 , 737 y 738 (circuito)

Auto radio Buick modelo 981550 (circuito)

Auto radio Buick modelo 981551 (circuito)

Auto radio Cadillac General Motor ( standard) ( circuito)

Auto radio Cadillac modelos 7260405 y 7260905 ( circuito)

Auto radio Cadillac modelos 7264165 y 7264185 ( circuito)

Auto radio Cadillac modelo 7264195 (circuito)

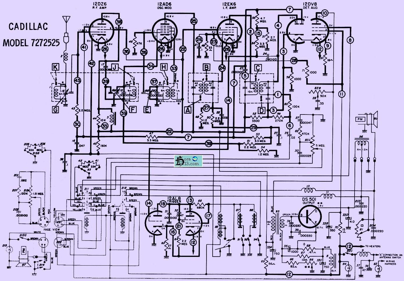
Auto radio Cadillac modelo 7272525 (circuito)

Auto radio Cadillac modelo 7270625 (circuito)

Auto radio Cadillac modelo 7253207 (circuito)

Auto radio Cadillac modelos 7265825 y 7265845 (circuito)

Auto radio CGE modelo B52 (circuito)

Auto radio Condor Ciclone (circuito)

Auto radio Condor Eolo (circuito)

Auto radio Condor Ultra Plat (circuito)

Auto radio Condor Standard  (circuito)

Auto radio Coronado modelo  RA42 (circuito )

Auto radio Coronado modelo 43 8177 y 43 8178 (circuito )

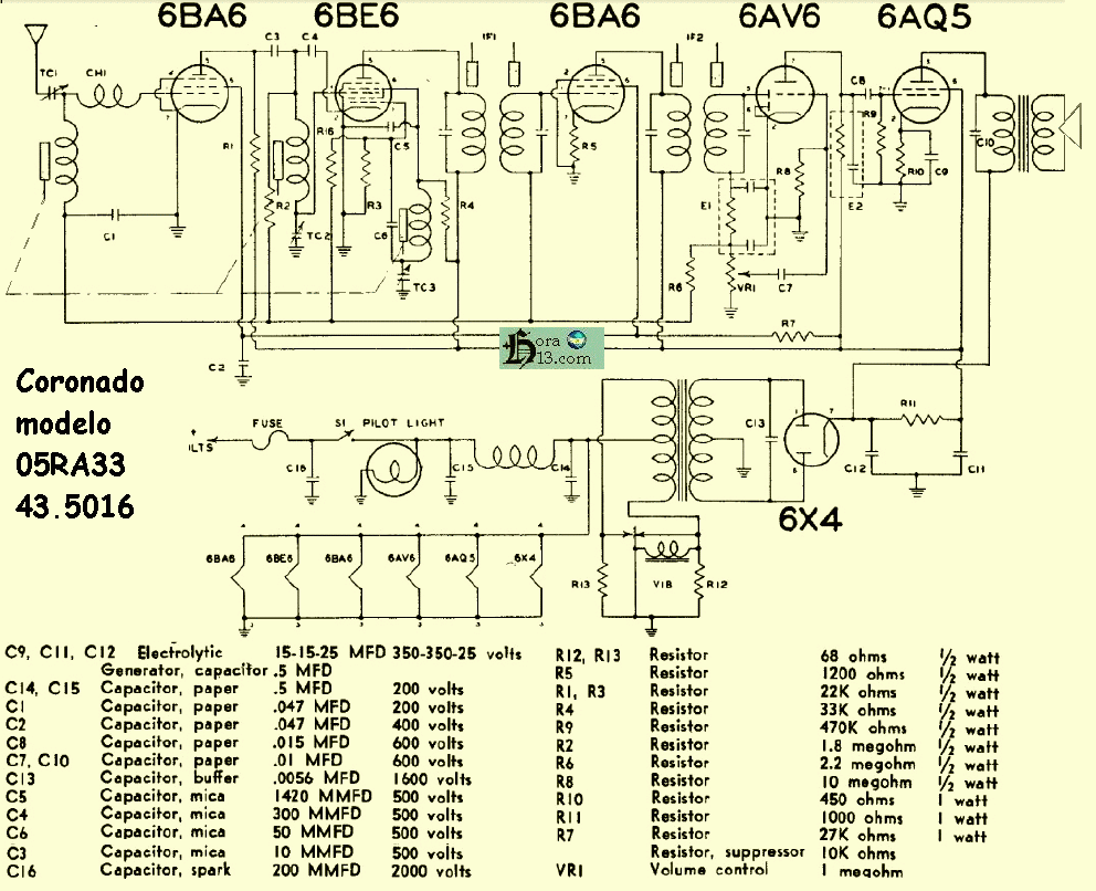
Auto radio Coronado modelo 05RA33 (circuito)

Auto radio Coronado modelo 802 A (circuito)

Auto radio Coronado modelos RA50 8231 y RA 50 8232 (circuito)

Auto radio Coronado mod 05RA33 - 43 - 5016 A  (circuito) 

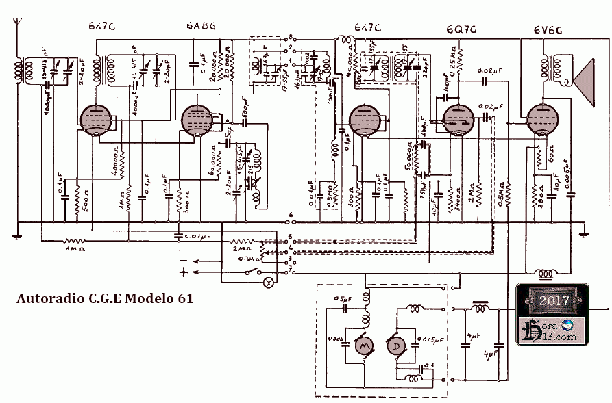
Auto radio C.G.E Modelo 61  (circuito )

Auto radio Crosley modelo A 41 (circuito)

Auto radio Emerson modelo 5A (circuito)

Auto radio Emerson modelo 678 (circuito)

Auto radio ESA BN modelos 15051 y 15053 (circuito)

Auto radio Chevrolet ( línea Motorola ) modelo 400 (circuito)

Auto radio Chevrolet año 1960  modelo CTM60 X (circuito)

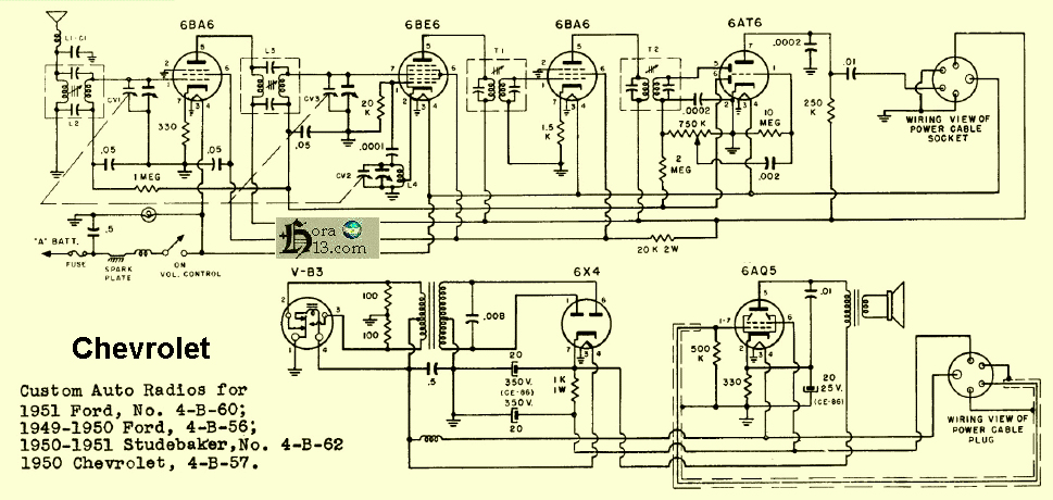
Auto radio Chevrolet modelo 4B 60 ( circuito) 

 

Auto radios Chevrolet modelos :  

985158 , /985158  985189 / 985 315  /985 332 (circuito)

 

Auto radio Chevrolet año 1960 modelo CTM60 X (circuito)

Auto radio Chevrolet modelo 985538 (circuito)

Auto radio Chevrolet modelo 985793 (circuito)

Auto radio Chevrolet modelo 986443 (circuito)

Auto radio Chevrolet modelo 986515 (circuito )

Auto radio Chevrolet modelo 986516 (circuito)

Auto radio Chevrolet modelo 987187 (circuito)

Auto radio Chevrolet modelo 987573 (circuito)

Auto radio Chevrolet modelo 987730 (circuito)

Auto radio Chevrolet modelo 988275 ( circuito) 

 

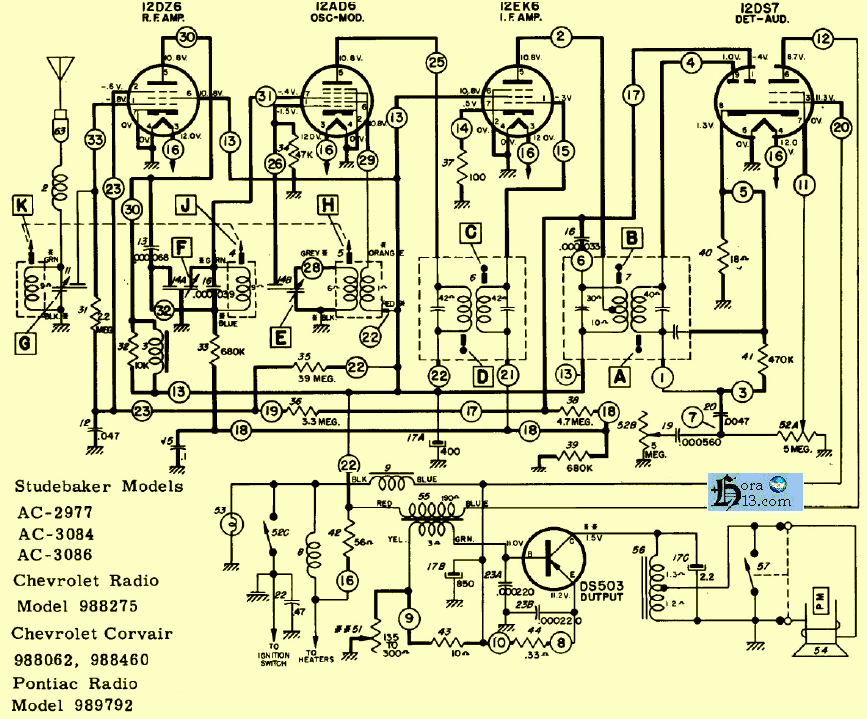
Auto radio Chevrolet Corvair  ,Studebaker y Pontiac (circuito)

Auto radio Chevrolet modelo 988414 (circuito)

Auto radio Chrysler modelo 711 (circuito)

Auto radio Chrysler modelo Imperial Mopar 924 (circuito)

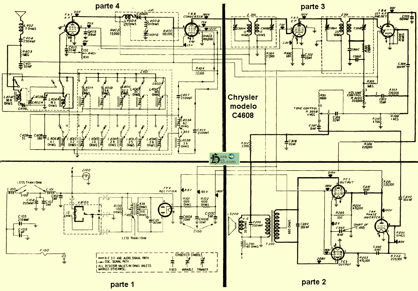
Auto radio Chrysler modelo C4608 (circuito)

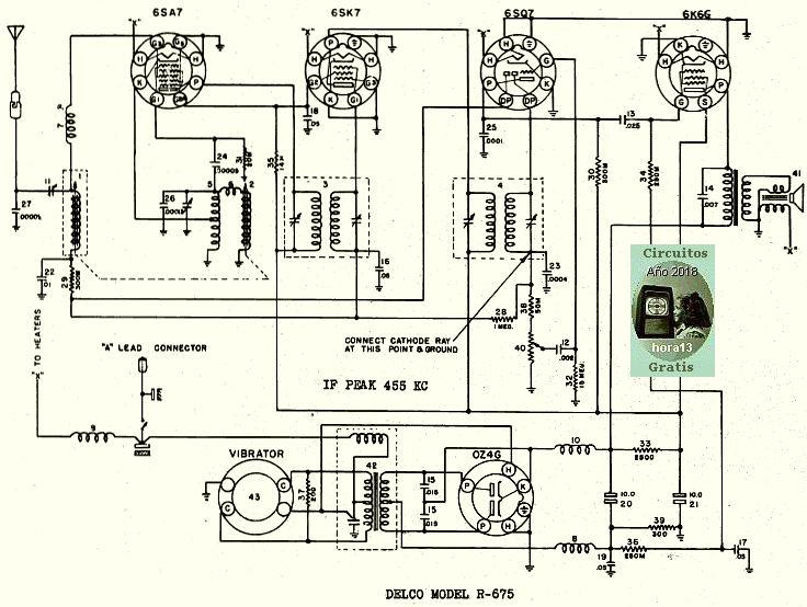
Auto radio Delco modelo 675 (circuito)

Auto radio Delco modelo 676 (circuito)

Auto radio Delco modelo 677 (circuito)

Auto radio Delco modelo 678 (circuito)

Auto radio Delco modelo 685 (circuito)

Auto radio Delco Pontiac mod. 988671 (circuito)

Auto radio Dodge modelo 845 parte uno (circuito )

Auto radio Dodge modelo 845 parte dos (circuito )

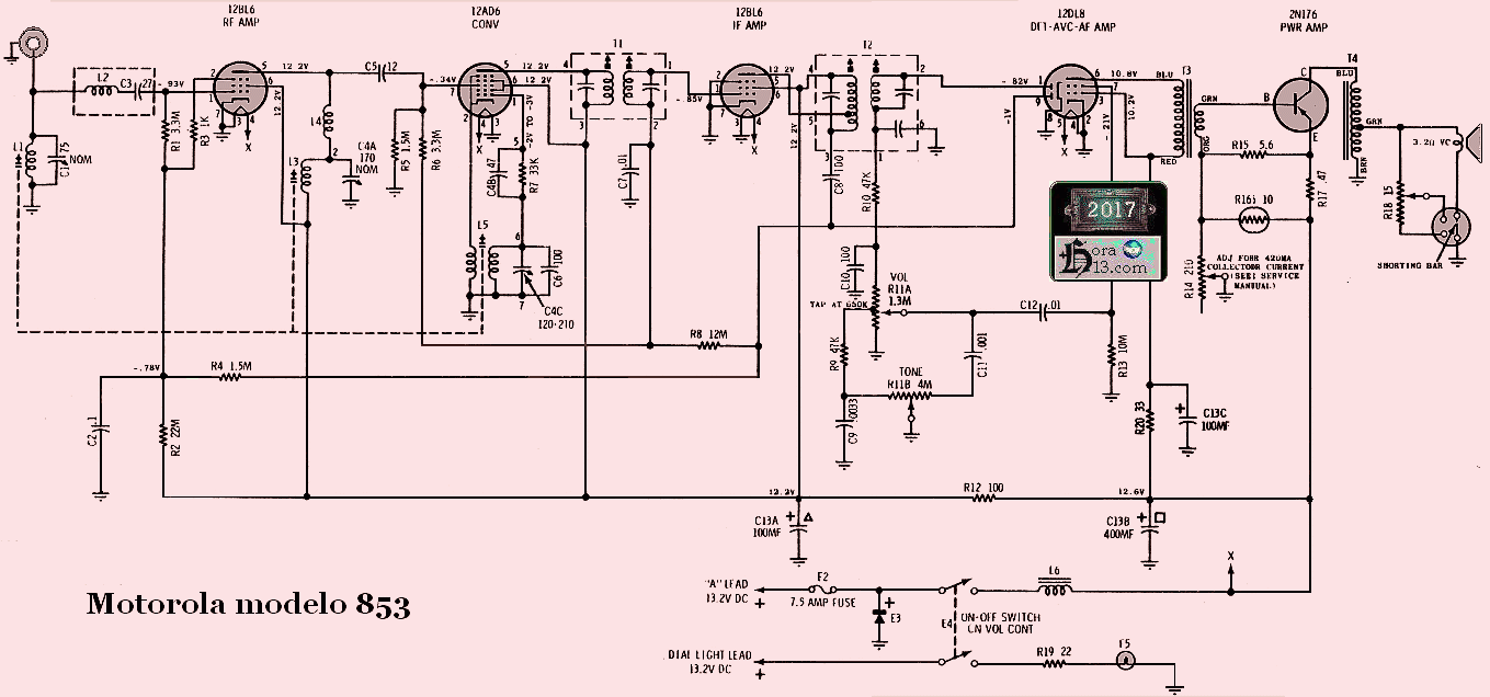
Auto radio DeSoto modelo 853 el mismo para marcas de auto como :

Dodge y Plymouth (circuito)

Auto radio Fapesa ( circuito años 60 y 70 para varias marcas de autos) (circuito)

Auto radio Fapesa serie E  (circuito)

Auto radio Firestone (circuito) 

Auto radio Firestone Stewart modelo 1332 (circuito)

Auto radio Ford modelo (Motorola) modelo 2MF (circuito)

Ford , Studebaker años 1940 , 1950 ,1951 (circuito)

Auto radio Ford Philco modelo FT9 (circuito)

Auto radio Ford modelo 5TMS (circuito)

Auto radio Ford modelo 14 MF (circuito)

Auto radio Ford modelos 74MF y 84MF (circuito)

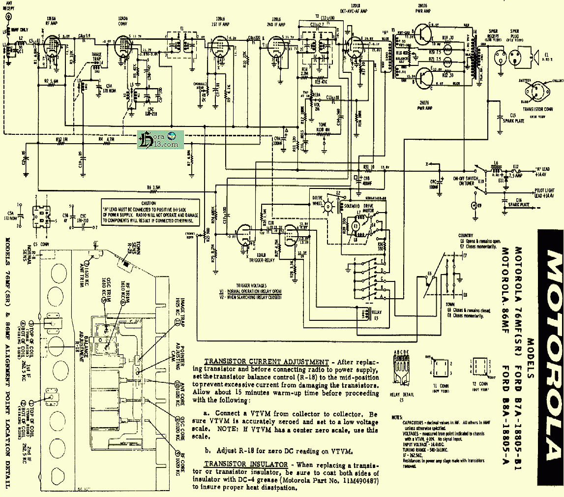
Auto radio Ford modelo 76MF (circuito)

Auto radio Ford modelo FDH 18805 B1 (circuito)

Auto radio Ford modelo FEV 18805 F (circuito )

Auto radio Gamble Skogno modelo 678 (circuito)

Auto radio Gallo Ing Condor (circuito)

Auto radio General Motors modelo 510 (circuito)

Auto radio General Motors modelo 511 (circuito)

Auto radio General Motors modelo 515 (circuito)

Auto radio General Electric modelo M 49 (circuito)

Auto radio General Electric modelo N 60 (circuito)

Auto radio General Electric modelos F A 60 y FA 61 (circuito)

Auto radio General Electric modelo C 62 (circuito)

Auto radio General Electric Kaiser modelos 230 y  233 (circuito)

Auto radio General Electric modelos 675 y 676 ( circuito)

Auto radio Kaiser Frazer modelo 100170 (circuito)

Auto radio Kaiser Frazer modelo 100205 (circuito )

Auto radio Körting modelo ASE 4251 (circuito)

Auto radio Körting modelo ASE-6340 (circuito)

Auto radio Körting modelo ASC6341 (circuito)

Auto radio Körting modelo AS 7340 (circuito)

Auto radio Körting modelo Super ASC6341 para 12V (circuito)

Auto radio Kriesler modelo 41-44 (circuito)

Auto radio Kriesler modelo 41-57 (circuito)

Auto radio Kriesler modelo 41-70  (circuito)

Auto radio Leipzig modelo S1049B (circuito) 

Auto radio modelo 625 (circuito)

Auto radio Mercury modelo M5741 (circuito)

Auto radio Motorola modelo Golden Voice (circuito)

Auto radio Motorola modelo 6X28 (circuito)

Auto radio Motorola modelo 7X28 (circuito)

Auto radio Motorola modelos 6TA61 y BKA61 (circuito)

Auto radio Motorola para radios Dodge D66 a D72 y Desoto S25 a S27 (circuito)

Auto radio Motorola para radios Dodge D55 a D56 y  Plymouth P26 y P27 (circuito)

Auto radio Motorola para radio Ford modelos 76MF , 86MF y  B7A . B8A  (circuito)

Auto radio Motorola modelo 44 ( circuito)

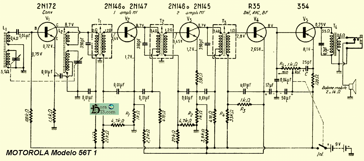
Auto radio Motorola modelo 56 T 1 (circuito )

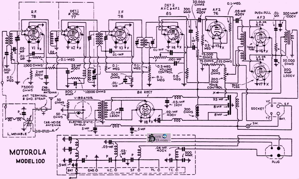
Auto radio Motorola modelo 100 (circuito)

Auto radio Motorola modelos 232 , 225 y 235 S (circuito)

Auto radio Motorola modelos 233 (circuito)

Auto radio Motorola modelo 624 (circuito)

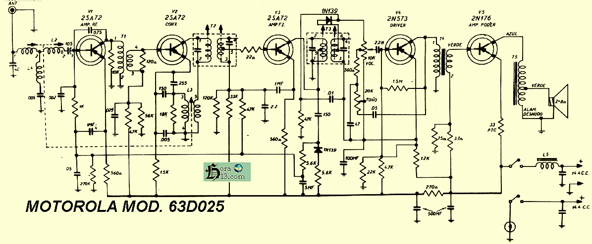
Auto radio Motorola modelo 63D025 ( circuito)

Auto radio Motorola modelo 68AS8 ( circuito)

Auto radio Motorola modelo 853 ( circuito)

Auto radio Motorola modelo TM 5A (circuito)

Auto radio Motorola modelo TM 295 M  (circuito)

Auto radio Motorola modelo TM 325 M  (circuito)

Auto radio Motorola modelo TM 336 M (circuito)

Auto radio Motorola modelo TM 526 A (circuito) 

Auto radio marca Norman (circuito)

Auto radio Oldsmobile modelo 982698 (circuito)

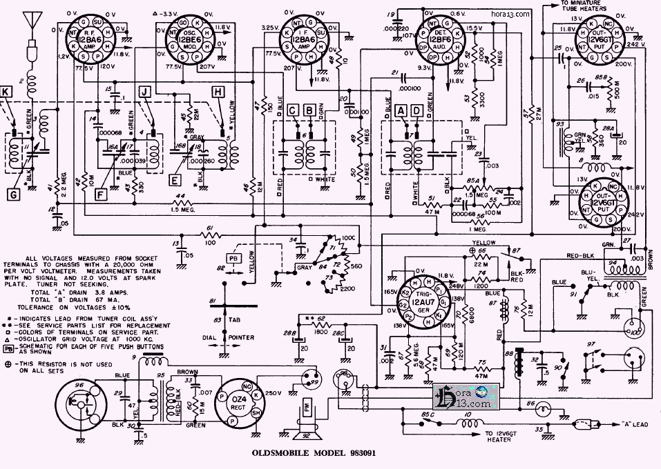
Auto radio Oldsmobile modelo 983091 (circuito)

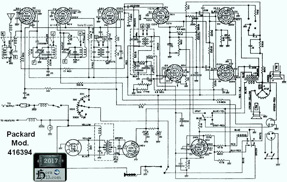
Auto radio Packard modelo 416394 (circuito)

Auto radio marca Peugeot 403 modelo 460 P (circuito)

Auto radio Philco  modelo 10 DEL ,  F1540 (circuito)

Auto radio Philco modelos 5702 y 5741 (circuito )

Auto radio Philco modelo P 5701 (circuito)

Auto radio Philco modelo P 5703 al 5709 (circuito)

Auto radio Philips modelo 770 (circuito)

Auto radio Philips modelo N3X94V (circuito)

Auto radio Philips modelo Paladin 484 (circuito)

Auto radio Phonola modelo 840 (circuito)

Auto radio Pontiac mod. 988823 y para Chevrolet 987730 (circuito)

Auto radio Pontiac Chieftain  984592 modelo  (circuito )

Auto radio Rambler modelo 03AR (circuito)

Auto radio Radione modelo R 51 (circuito)

Auto radio RCA modelo H6 (circuito)

Auto radio RCA modelo 5M (circuito)

Auto radio RCA valvular estandard (circuito)

Auto radio Siemens modelo SB 601 (circuito)

Auto radio Siemens modelo SB 603 (circuito)

Auto radio Studebaker modelo AC 2905 (circuito)

Auto radio Super Kar 63 ( negativo a masa) (circuito)

Auto radio Super Kar 73 ( positivo a masa) (circuito)

Auto radio Super Car 62 ( negativo a masa) (circuito)

Auto radio Super ASC- ASE 4251  (circuito)

Auto radio Super IA50 - IB50 (circuito)

Auto radio Auto-Super modelo IA50 - IB50 (circuito)

Auto radio Auto-Super ASC- ASE4251 (circuito)

Auto radio Auto-Super modelo 5A 649 (circuito)

Auto radio Auto-Super modelo SB 601 AB - 51 (circuito)

Auto radio Auto-Super modelo S1049B (circuito )

Auto radio Simplex modelo TA (circuito) 

Auto radio Studebaker Packard modelo AC 2906 (circuito)

Auto radio Telefunken autosuper IIA51-IID51 (circuito)

Auto radio Telefunken autosuper IA50-IB50 ( circuito)

Auto radio Tele King modelo RKC 54 (circuito)

Auto radio Transmobil 2 - TR222 (circuito)

Auto radio Truetone modelo D3300 (circuito)

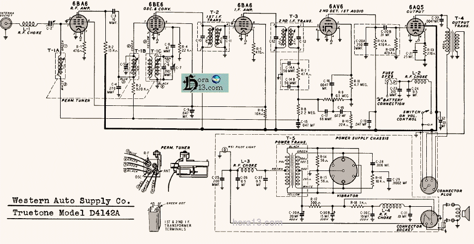
Auto radio Truetone modelo D4142 A (circuito )

Auto radio Universal T5 2111 -3 (circuito)

Auto radio Ucoa modelo 519 K (circuito)

Auto radio Valiant año 1960 modelo MO PAU 104 ( circuito)

Auto radio Western modelos D2584 Y D2585 (circuito)

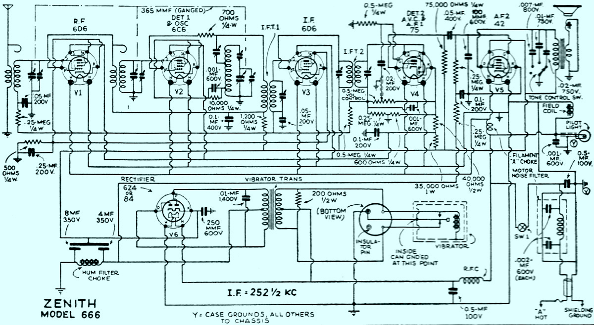
Auto radio Zenith modelo 666 (circuito)

 

 

 

Te recomendamos estos manuales los puedes bajar gratis

 

 

 

 

 

 

 

 

 

 

 

 

 

 

 

 

 

 

 

 

 

 

 

 

 

 

 

 

 

 

 

Todos los circuitos esquemas que te brindamos totalmente gratis también es gracias a la colaboración 

de muchos lectores como tu 

No lo olvides

recuerda que tu estas usando este sitio en este momento 

(colaborar)

 

La historia nos cuenta que...

Los estadounidenses Paul Galvin y Joseph Galvin fueron los inventores de las primeras Autor radios 
En 1930 presentaron el modelo Motorola 5T71 que podía ser instalado en los autos más populares de la época 
En Alemania la empresa Blaupunkt montó la primera radio en un Studebaker en 1932
Mientras que en el Reino Unido fue la empresa Crossley la que empezó a comercializarlos en 1933.

Mas circuitos y esquemas los tienes ingresando en..

Electrónica Antigua

Productora " Zvnka" Mantiene vigente todos los derechos reservados y registrados a nombre del autor Vnicolav ( hora13) 
Copyright 2000- 2018  www.hora13.com Buenos Aires . Argentina Dirección Nacional de Derechos de Autor.
 Ley de la propiedad intelectual 11.723/33 , Para la copia o difusión de este material debe solicitar autorización .